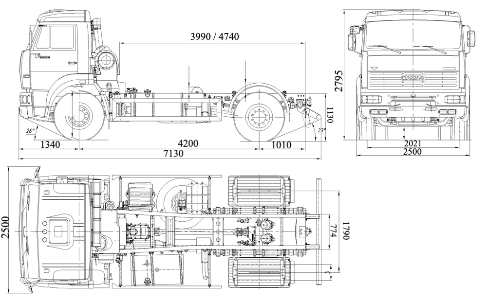
KAMAZ-53605 — это универсальное двухосное грузовое шасси среднего класса, рассчитанное на эффективную работу в городских и междугородных условиях. Благодаря колесной формуле 4×2. Габаритные размеры шасси (ДхШхВ) 7130×2500×2795 мм, колесная база 4200 мм. Двигатель модели Cummins ISBe 6.7 мощностью 300 л.с. Размер шин 315/80 R22.5.
Чертеж

Описание
KAMAZ-53605 — это универсальное двухосное грузовое шасси среднего класса, рассчитанное на эффективную работу в городских и междугородных условиях. Благодаря колесной формуле 4×2, высокой грузоподъемности и компактным габаритам, модель хорошо подходит для логистики, коммунального хозяйства, строительства и установки специализированных надстроек.
Полная масса автомобиля составляет 17 500 кг, при этом грузоподъемность — 13 820 кг, что является одним из лучших показателей в своем классе. Допустимая нагрузка на переднюю ось составляет 7 500 кг, на заднюю — 10 000 кг, что позволяет безопасно монтировать кран-манипуляторы, изотермические фургоны, бортовые платформы или специальное оборудование.
Габаритные размеры шасси: длина 7130 мм, ширина 2500 мм, высота 2795 мм. Колесная база 4200 мм обеспечивает стабильность движения и хорошую управляемость. Передний свес составляет 1340 мм, задний — 1440 мм. Для монтажа надстроек доступны два варианта монтажной длины рамы — 3990 мм или 4740 мм, что значительно расширяет возможности адаптации под различные задачи.
Силовая установка представлена проверенным дизельным двигателем Cummins ISBe 6.7 Euro-5 мощностью 300 л.с., оснащенным топливной аппаратурой Bosch. Двигатель известен своей надежностью, хорошей тягой и умеренным расходом топлива, что особенно важно при ежедневной интенсивной эксплуатации. Топливный бак объемом 210 л обеспечивает достаточный запас хода.
Трансмиссия включает механическую 9-ступенчатую коробку передач ZF, сцепление MFZ 430, а также межколесную блокировку дифференциала, улучшающую сцепление с дорогой на скользких или неровных покрытиях. Рессорная подвеска отличается прочностью и выносливостью, хорошо приспособленной для работы с большой нагрузкой.
KAMAZ-53605 является практическим и экономически целесообразным решением для предприятий, которым требуется надежное, простое в обслуживании и универсальное шасси. Доступность запчастей, проверенная конструкция и возможность установки коробки отбора мощности делают эту модель выгодной инвестицией для широкого спектра коммерческих задач.
| Параметр | Показатель |
| Марка | KAMAZ |
| Модель | 53605 |
| Тип транспортного средства | Грузовое шасси |
| Колесная формула | 4×2 |
| Количество осей | 2 |
| Полная масса автомобиля | 17 500 кг |
| Снаряженная масса | 7 150 кг |
| Грузоподъемность | 13 820 кг |
| Нагрузка на переднюю ось | 7 500 кг |
| Нагрузка на заднюю ось | 10 000 кг |
| Габаритные размеры (Д×Ш×В) | 7130 × 2500 × 2795 мм |
| Колесная база | 4200 мм |
| Передний/задний свис | 1340 / 1440 мм |
| Монтажная длина рамы | 3990 / 4740 мм |
| Двигатель | Cummins ISBe 6.7 |
| Экологический стандарт | Euro-5 |
| Мощность двигателя | 300 л.с. |
| Коробка передач | Механическая ZF, 9-ступенчатая |
| Сцепление | MFZ 430 |
| Подвеска | Рессорная |
| Междусевая блокировка | Нет |
| Междуколесная блокировка | Есть |
| Передатное число главной передачи | 6,33 / 5,11 |
| Размер шин | 315/80 R22.5 |
| Топливный бак | 210 л |
| Кабина | Однорядная, без спального места |
| Коробка отбора мощности | Есть |
Особенности
✅ Высокая грузоподъемность в классе (13 820 кг)
-
Это шасси позволяет устанавливать тяжелые надстройки — кран-манипуляторы, мусоровозы, автоцистерны, бортовые платформы из КМУ или фургоны большого объема без превышения допустимых нагрузок на оси. Груз равномерно распределяется между передней и задней осью, что повышает ресурс ходовой части.
✅ Оптимальная колесная база 4200 мм — баланс маневренности и стабильности
-
Колесная база 4200 мм обеспечивает хорошую курсовую устойчивость на трассе и одновременно позволяет уверенно работать в городе, на стройплощадках или во дворах. Это особенно важно для коммунальной техники и дистрибуционных автомобилей.
✅ Габаритные размеры, удобные для городской и региональной эксплуатации
-
При длине 7130 мм, ширине 2500 мм и высоте 2795 мм шасси не создает проблем с проездом под мостами, эстакадами и в ограниченных условиях. Это делает модель пригодной как для междугородных, так и для городских маршрутов.
✅ Два варианта монтажной длины рамы (3990 / 4740 мм)
-
Наличие разной монтажной длины позволяет гибко подобрать конфигурацию под конкретную надстройку:
-
— короткая база — для маневренных спецмашин;
-
— удлиненная — для фургонов, контейнеровозов или платформ с дополнительным оборудованием.
✅ Надежный дизельный двигатель Cummins ISBe 6.7 (300 л.с., Euro-5)
-
Двигатель хорошо зарекомендовал себя в условиях интенсивной эксплуатации. Он имеет высокий крутящий момент, стабильную работу под погрузкой и умеренный расход горючего. Топливная аппаратура Bosch обеспечивает точный впрыск и простоту обслуживания.
✅ Механическая 9-ступенчатая КПП ZF — контроль и выносливость
-
Коробка передач ZF позволяет эффективно работать как с полной нагрузкой, так и в пустом состоянии. Большое количество передач обеспечивает оптимальный режим работы двигателя, снижает износ агрегатов и расход топлива.
✅ Межколесная блокировка дифференциала — уверенная работа на складных покрытиях
-
Наличие блокировки позволяет безопасно эксплуатировать автомобиль на грунтовых дорогах, строительных площадках, зимой или при работе в коммунальном секторе.
✅ Возможность установки коробки отбора мощности (КОМ)
-
Это ключевое преимущество для спецтехники. KAMAZ-53605 легко адаптируется под оборудование с гидравлическим приводом: мусоровозы, автокраны, КМУ, поливомоечные установки, насосные станции.
✅ Простая и выносливая рессорная подвеска
-
Рессорная подвеска специально рассчитана на постоянную работу с большой нагрузкой. Она менее чувствительна к перегрузкам, дешевле в обслуживании и хорошо подходит для украинских дорог.
✅ Низкая стоимость владения и доступность сервиса
-
Запчасти KAMAZ и Cummins широко доступны, техника хорошо знакома сервисным станциям, что минимизирует простои и снижает эксплуатационные расходы на протяжении всего жизненного цикла автомобиля.