Вакуумна машина KST-4 з об’ємом цистерни 4м³, яка виготовлена з високоякісної конструкційної сталі 09Г2С, на шасі Tata LPT-613 з колісною формулою 4х2. Призначена для механізованого очищення вигрібних ям, колодязів, транспортування та вивантаження рідких негорючих відходів до 17 м. Заповнення цистерни (із товщиною стінок від 4 до 8 мм) здійснюється під дією вакууму 0.085 МПа, звільнення цистерни відбувається самопливно або під тиском повітря від вакуумного насоса Jurop потужністю від 360 до 980 м³/год протягом 7 хвилин.
Креслення


Опис
Вакуумна машина KST-4 на базі Tata LPT-613 — це надійне та маневрене рішення для комунальних служб і приватних підприємств, що спеціалізуються на обслуговуванні інженерних мереж. Завдяки поєднанню перевіреного індійського шасі та потужного вакуумного обладнання, ця техніка ідеально підходить для роботи у щільній міській забудові.
Ключові переваги та особливості:
- Оптимальна місткість: Цистерна об'ємом 4 м³ дозволяє ефективно виконувати значні обсяги робіт (відкачування септиків, вигрібних ям, осушення підвалів) без частих виїздів на злив.
- Витривале шасі Tata LPT-613: Ця платформа відома своєю невибагливістю в експлуатації та економічним дизельним двигуном, що суттєво знижує витрати на утримання автопарку.
- Висока продуктивність: Вакуумний насос забезпечує потужність всмоктування до 360 м³/год, що дозволяє наповнювати резервуар лише за 3–6 хвилин.
- Глибина очищення: Система здатна підіймати рідину з глибини до 17 метрів, що робить її незамінною для обслуговування глибоких колодязів та складних гідротехнічних споруд.
- Надійність конструкції: Цистерна виготовлена з високоякісної сталі з антикорозійним покриттям, що гарантує тривалий термін служби навіть при контакті з агресивним середовищем.
До складу спецобладнання входять:

-
цистерна;
-
вакуумний насос з приводом;
-
сигнально-запобіжний пристрій;
-
трубопроводи вакуум-нагнітальної системи з краном;
-
приймальний люк зі всмоктувальним шлангом;
-
майданчики для обслуговування;
-
електрообладнання.
Вакуумна система призначена для створення розрідження в цистерні при наповненні її відходами і тиску при їх зливі.
Вакуумна система включає:
-
4-х ходовий кран;
-
вакуумний насос;
-
систему трубопроводів.
На лінії всмоктування встановлений поплавковий клапан, який монтується на кришці сигнально запобіжного пристрою та перекриває всмоктувальну лінію при наповненні цистерни, що унеможливлює попадання відходів у насос. Крім цього на лінії всмоктування встановлено проміжний бачок, який призначений для збору конденсату, що утворюється при заповненні відходами цистерни у всмоктувальній лінії. У нагнітальній лінії насоса встановлений глушник зниження шуму при виході повітря з насоса.
-Наповнення цистерни рідкими відходами здійснюється шляхом створення цистерни розрідження.
-При досягненні граничного рівня заповнення цистерни сигнально-запобіжний пристрій автоматично зупиняє двигун (на дизельних машинах подається звуковий сигнал).
-Спорожнення цистерни здійснюється як самопливом, так і під тиском.
-Для візуального спостереження за наповненням цистерни є оглядові вікна.
-Для зручності роботи у темний час доби робоче місце оператора висвітлюється спеціальною фарою.
-Високоякісне фарбування всіх вузлів і деталей до складання у поєднанні з суцільними зварними швами запобігає утворенню вогнищ корозії та забезпечує надійність та довговічність металоконструкцій.
-Гарантія 12 місяців.
Альтернативи шасі для встановлення надбудови

Переваги
-
Екологічна чистота та висока якість очищення;
-
Надійність та стабільність роботи вакуумного насоса;
-
Простота в експлуатації та невисока ціна;
-
Необхідна техніка для аварійних, водостічних та водоканальних служб.
Клапан запобіжний КО-503
Клапан запобіжний КО-503 встановлюється в кришку СПУ цистерни і призначений для регулювання надлишкового тиску в цистерні.
Перед початком експлуатації необхідно перевірити працездатність запобіжного клапана на обмеження надлишкового тиску та тиску розрядження у цистерні. Запобіжний клапан, зображений на малюнку 8, на заводі відрегульований на надлишковий тиск 0,03+0,01 МПа (0,3+0,1 кгс/см 2) і розрядження 0,08МПа (0,8 кгс/см2).
Перевірку працездатності запобіжного клапана починайте з регулювання клапана розрядження, для цього:
- встановіть на всмоктувальній трубі вакуум-нагнітальної системи мановакууометр;
- закрийте приймальний лючок;
- послабте контргайку поз. 6 згідно з малюнком 8 на запобіжному клапані;
- виверніть заглушку і зніміть пружину 2;
- запустіть двигун;
- вімкніть вакуумний насос і встановіть частоту обертання насоса 1450 об/хв;
- встановіть важіль 4-х ходового крана в положення «всмоктування»;
- гайками поз. 8 відрегулюйте пружину поз. 3 за показанням мановакууометра на розрядження 0,08 МПа (0,8 кгс/см2);
У міру зношування внутрішньої поверхні цистерни через 4 роки експлуатації машини знижуйте налаштування клапана на 0,01 МПа (0,1 кгс/см2) після кожного року експлуатації, щоб уникнути деформації цистерни.
Для перевірки клапана тиску необхідно:
- встановити пружину 2;
- встановити заглушку 1;
- наповнити цистерну водою до автоматичної зупинки двигуна або звукового сигналу сигнально-запобіжного пристрою;
- закрити лючок;
- вимкнути сигнально-запобіжний пристрій та вакуумний насос;
- встановити важіль 4-х ходового крана в положення «нагнітання»;
- запустити двигун;
- включити вакуумний насос і встановити частоту обертання валу насоса 1450 об /хв, при цьому надлишковий тиск у цистерні за показанням манометра має бути 0,03-0,04 МПа (0,3-0,4 кгс/см2). У разі перевищення тиску слід відрегулювати запобіжний клапан пружиною 2 Рис. 8. Для цього, повертаючи заглушку 1, встановити необхідний тиск.

1-заглушка, 2,3-пружини, 4-корпус, 5-шайба, 6-контргайка,
7 корпус корпусу, 8 гайка.
|
Параметр |
Значення |
|
Базове шасі |
Tata LPT-613 |
|
Місткість цистерни |
4 м3 |
|
Глибина викачки ями |
до 17 м. |
|
Продуктивність вакуумного насосу |
360 куб.м / год. |
|
Максимальне розрідження в цистерні |
0,085 МПа. |
|
Час наповнення цистерни |
3-6 хв. |
|
Повна маса |
8 700 кг. |
|
Країна виробник асенізаторного обладнання |
Україна |
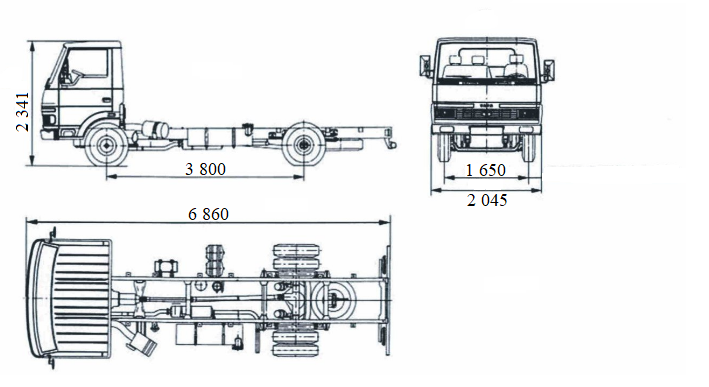
Технічні характеристики шасі Tata LPT-613:
|
Параметр |
Значення |
|
Виробник |
Tata Motors |
|
Двигун |
дизельний |
|
Колісна база |
3800 мм. |
|
Довжина |
6860 мм. |
|
Ширина |
2045 мм. |
|
Висота |
2341 мм. |
|
Кліренс |
194 мм. |
|
Передня колія |
1650 мм. |
|
Задня колія |
1577 мм. |
|
Швидкість |
110 км / год. |
|
Місткість бака |
120 л. |
Особливості

Вакуумні насоси з повітряним охолодженням.
- Модель PNR поступається моделі PNE у зв'язку з охолодженням за допомогою повітряної ежекції, замість атмосферного повітря. Регульована ежекція повітря забезпечує ефективне охолодження, навіть під час використання насоса у важких умовах експлуатації (запатентована технологія).
- Модель 142 відсутня у версії PNE.
- Прямий привід із циліндричним валом діаметра або Ø1" 3/8.
- З редуктором при 540-1000 об/хв.
- Обертанням проти годинникової стрілки.
- П'ять лопатей з термостійкого параамідного синтетичного волокна; тангенціальне розташування знижує знос, пов'язаний з тертям, і забезпечує збільшення терміну служби насоса.
- Автоматичний безповоротний клапан на лінії всмоктування.
- Автоматичне змащування за допомогою об'ємного дозувального насоса. Задній бак (PNR/E 73-124). Бічний резервуар (PNR142). Мідні труби та фітинги.
Обертання за годинниковою стрілкою.
- Алюмінієві орієнтовані патрубки, на різні діаметри.
- З гідравлічним двигуном.
- Керування за допомогою двигуна внутрішнього згоряння, гідромотора або механічного приводу from a Power Take Off.
- Шків приводного ременя.
- Пневмопривід або гідропідсилювач на клапані, що перемикається, для тиску і розрідження.
- Система попередження про перегрів насоса.
Експлуатаційні хараткеристики насосу Jurop та схема Вакуумної системи.


Креслення вакуумного насосу Jurop в двох варіантах
№1 PNR/PNE Пряма передача

№2 NR/PNE Модифікація HDR / Привід із редуктором

Шумова потужність тільки насоса (без приводної трансмісії, блоку всмоктування, глушників)
RPM |
Вакуум-надлишковий тиск |
PNE 73-83 |
PNR 73-83 |
PNE 104-124 |
PNR 104-124 |
PNR 142 |
|
Номінальна швидкість |
вакуум 80% |
90 |
92 |
90 |
93 |
94 |
|
Δ press 600 миллібар |
103 |
103 |
104 |
104 |
105 |
Діаметр патрубків
|
Ø |
Регульованого патрубка |
Фіксованого патрубка |
|||||
|
PNR/E |
Ø76 |
Ø80 |
Ø100 |
Ø60 |
Ø76 |
Ø80 |
Ø100 |
|
73 |
• |
|
|
• |
• |
• |
|
|
83 |
• |
|
|
• |
• |
• |
|
|
104 |
• |
• |
• |
|
• |
• |
• |
|
124 |
• |
• |
• |
|
• |
• |
• |
|
142 |
|
• |
• |
|
|
• |
• |