Вакуумна машина KST-9 об'ємом 9 м3, що виготовлена з високоякісної конструкційної сталі 09Г2С, на шасі Iveco з колісною формулою 4х4 призначена для вакуумного очищення вигрібних ям глибиною 6.5 м і транспортування фекальних рідин до місця утилізації. Заповнення цистерни (з товщиною стінки від 4 до 8 мм) здійснюється під дією вакууму 0,085 МПа, звільнення цистерни відбувається самопливно або під тиском повітря від вакуумного насоса Jurop PN 45 потужністю 318 м³/год протягом 7 хвилин.
Креслення



Опис
-
Заповнення цистерни здійснюється під дією вакууму, звільнення цистерни самопливно або тиском повітря від вакуумного насоса.
-
Наповнення цистерни рідкими відходами здійснюється шляхом створення в цистерні розрідження.
-
При досягненні граничного рівня заповнення цистерни сигнально-запобіжний пристрій автоматично зупиняє двигун (на дизельних машинах подається звуковий сигнал).
-
Звільнення цистерни здійснюється як самопливом, так і під тиском.
-
Для візуального спостереження за наповненням цистерни є оглядові вікна.
-
Для зручності роботи в темний час доби робоче місце оператора висвітлюється спеціальної фарою.
-
Високоякісне фарбування всіх вузлів і деталей до збірки в поєднанні із суцільним зварювальним швами запобігає утворенню вогнищ корозії і забезпечує надійність і довговічність металоконструкцій.
До складу спецобладнання входять:
-
цистерна,
-
вакуумний насос з приводом,
-
сигнально-запобіжний пристрій,
-
трубопроводи вакуум-нагнітальної системи з краном,
-
Приймальний люк зі всмоктувальним шлангом,
-
майданчики для обслуговування,
-
електрообладнання.
Вакуумна система призначена для створення розрідження в цистерні при наповненні її відходами і тиску при їх зливі.
Вакуумна система включає:
-
4-х ходовий кран;
-
вакуумний насос;
-
систему трубопроводів.
На лінії всмоктування встановлений поплавцевий клапан, який монтується на кришці сигнально запобіжного пристрою і перекриває всмоктуючу лінію при наповненні цистерни, тим самим унеможливлює попадання відходів в насос. Окрім цього на лінії всмоктування встановлений бачок проміжний, який призначений для збору конденсату, що утворюється під час заповнення цистерни відходами у всмоктуючій лінії. У нагнітальній лінії насоса встановлений глушник, для зниження шуму при виході повітря з насоса.
Альтернативи шасі для встановлення надбудови

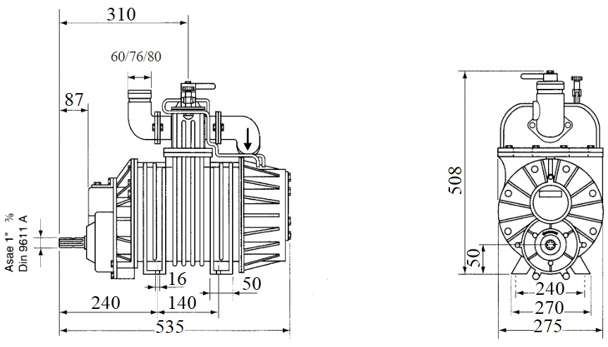
Вакуумний насос JUROP PN 45
|
Торгова марка |
JUROP |
|
Габаритні розміри |
535х275х508 мм. |
|
Вага |
90 кг. |
|
Тиск |
1.5 бар. |
|
Продуктивність |
318 м³/год |
|
Потужність |
5.8 кВт. |
|
Оберти двигуна |
540 об./хв. |
|
Витрата повітря |
318 м3 |
|
Тип валу |
шліцевий |
Технічні характеристики навісного обладнання:
|
Найменування показника |
Значення |
||
|
Найменування шасі |
IVECO T-WAY AD190T43WH 4х4 |
||
|
Тип приводу робочих органів (вакуумний насос) |
Механічний |
||
|
Характеристика насоса: |
|||
|
*Продуктивність вакуумного насоса |
318 м³/год. |
||
|
- розрідження, не менше |
0,085 МПа. |
||
|
Ємність технологічна, цистерни |
9 м³
|
||
|
Кількість обслуговуючого персоналу |
2 чол. |
||
|
Час наповнення цистерни |
7-10 хв. |
||
|
Швидкість спорожнення цистерни самопливом, не менше |
35 м³/год. |
||
|
*Максимальна глибина всмоктування |
від 4,5 до 6.5 м. |
||
|
Країна виробник асенізаційного обладнання |
Україна |
||
Технічні характеристики шасі IVECO T-WAY AD190T43WH 4х4
|
Параметр |
Показник |
|
Країна виробник |
Італія |
|
Габаритні розміри ДхШхВ |
7932х2550х3245 |
|
Паспортні навантаження на осі |
9 000 - 11 000 кг (Модифікація для повної односкатної ошиновки) |
|
Вантажність |
11 500 кг. |
|
Двигун |
|
|
Тип |
дизельний, рядний, 6 циліндровий |
|
Система охолодження |
рідинного типу |
|
Тип турбіни |
із перепускним клапаном + інтеркулер |
|
Максимальна потужність |
316 кВт (430 к.с.) при 1500 - 1900 об/хв. |
|
Максимальний крутний момент |
2100Нм при 1100 -1450 об/хв. |
|
Робочий об'єм |
12 882 см³ |
|
Маса двигуна |
1 230 кг. |
|
Керування двигуном |
EDC |
|
Система очищення вихлопних газів |
SCR |
|
Стандарт екологічності |
Євро-5 |
|
Система впорскування |
Common Rail |
|
Моторне гальмо IVECO Turbo Brake |
306 кВт. |
|
КПП |
|
|
Автоматизована КПП |
ZF Traxon 16TX 2240 TО |
|
Кількість передач |
Передач вперед 16 (14.68 – 0.82) |
|
Зчеплення |
я автоматизоване, сухе однодискове, зовнішній діаметр 17” (432 мм) |
|
Роздавальна коробка |
Роздавальна коробка, модель TC 2200 для двигуна Cursor 13 / Передаточне число 1.6 – 1.0 |
|
Підвіска |
|
|
Вісь передня |
керована, привідна, IVECO 5985/2D |
|
Вісь задня |
привідна, не керована, IVECO 453291/ADB |
|
Шини та диски |
|
|
Шини |
передні та задні односкатні 395/85R20 |
|
Статичний радіус |
540 мм. |
|
Робочі ємності |
|
|
Паливний бак |
390 л. |
|
Бак AdBlue пластиковий |
60 л. |
|
Рульове керування |
|
|
Гідравлічний підсилювач |
ZF 8098 |
|
Діаметр керма |
470 мм. |
|
Електричне обладнання |
|
|
АКБ 2x 225 Аг |
+ |
|
Стартер 5.5 кВт |
+ |
|
Напруга 24В |
+ |
|
Генератор 90A (24V) |
+ |
|
Механічний вимикач маси |
+ |
|
Гальмівна система |
|
|
Гальмівна система |
пневматичного типу |
|
Передні гальма барабанні |
типу «DuoDuplex» |
|
Задні гальма барабанні |
типу «DuoDuplex» |
|
Декомпресійне моторне гальмо |
IVECO Turbo Brake |
|
EBS |
+ |
|
BAS |
+ |
Особливості
Клапан запобіжний КО-503
Клапан запобіжний КО-503 встановлюється в кришку СПУ цистерни і призначений для регулювання надлишкового тиску в цистерні.
Перед початком експлуатації необхідно перевірити працездатність запобіжного клапана на обмеження надлишкового тиску та тиску розрядження у цистерні. Запобіжний клапан, зображений на малюнку 8, на заводі відрегульований на надлишковий тиск 0,03+0,01 МПа (0,3+0,1 кгс/см 2) і розрядження 0,08МПа (0,8 кгс/см2).
Перевірку працездатності запобіжного клапана починайте з регулювання клапана розрядження, для цього:
- встановіть на всмоктувальній трубі вакуум-нагнітальної системи мановакууометр;
- закрийте приймальний лючок;
- послабте контргайку поз. 6 згідно з малюнком 8 на запобіжному клапані;
- виверніть заглушку і зніміть пружину 2;
- запустіть двигун;
- вімкніть вакуумний насос і встановіть частоту обертання насоса 1450 об/хв;
- встановіть важіль 4-х ходового крана в положення «всмоктування»;
- гайками поз. 8 відрегулюйте пружину поз. 3 за показанням мановакууометра на розрядження 0,08 МПа (0,8 кгс/см2);
У міру зношування внутрішньої поверхні цистерни через 4 роки експлуатації машини знижуйте налаштування клапана на 0,01 МПа (0,1 кгс/см2) після кожного року експлуатації, щоб уникнути деформації цистерни.
Для перевірки клапана тиску необхідно:
- встановити пружину 2;
- встановити заглушку 1;
- наповнити цистерну водою до автоматичної зупинки двигуна або звукового сигналу сигнально-запобіжного пристрою;
- закрити лючок;
- вимкнути сигнально-запобіжний пристрій та вакуумний насос;
- встановити важіль 4-х ходового крана в положення «нагнітання»;
- запустити двигун;
- включити вакуумний насос і встановити частоту обертання валу насоса 1450 об /хв, при цьому надлишковий тиск у цистерні за показанням манометра має бути 0,03-0,04 МПа (0,3-0,4 кгс/см2). У разі перевищення тиску слід відрегулювати запобіжний клапан пружиною 2 Рис. 8. Для цього, повертаючи заглушку 1, встановити необхідний тиск.

1-заглушка, 2,3-пружини, 4-корпус, 5-шайба, 6-контргайка,
7 корпус корпусу, 8 гайка.
Особливості насосу Jurop

Вакуумні насоси з повітряним охолодженням.
- Модель PNR поступається моделі PNE у зв'язку з охолодженням за допомогою повітряної ежекції, замість атмосферного повітря. Регульована ежекція повітря забезпечує ефективне охолодження, навіть під час використання насоса у важких умовах експлуатації (запатентована технологія).
- Модель 142 відсутня у версії PNE.
- Прямий привід із циліндричним валом діаметра або Ø1" 3/8.
- З редуктором при 540-1000 об/хв.
- Обертанням проти годинникової стрілки.
- П'ять лопатей з термостійкого параамідного синтетичного волокна; тангенціальне розташування знижує знос, пов'язаний з тертям, і забезпечує збільшення терміну служби насоса.
- Автоматичний безповоротний клапан на лінії всмоктування.
- Автоматичне змащування за допомогою об'ємного дозувального насоса. Задній бак (PNR/E 73-124). Бічний резервуар (PNR142). Мідні труби та фітинги.
Обертання за годинниковою стрілкою.
- Алюмінієві орієнтовані патрубки, на різні діаметри.
- З гідравлічним двигуном.
- Керування за допомогою двигуна внутрішнього згоряння, гідромотора або механічного приводу from a Power Take Off.
- Шків приводного ременя.
- Пневмопривід або гідропідсилювач на клапані, що перемикається, для тиску і розрідження.
- Система попередження про перегрів насоса.
Експлуатаційні хараткеристики насосу Jurop та схема Вакуумної системи.


Креслення вакуумного насосу Jurop в двох варіантах
№1 PNR/PNE Пряма передача

№2 NR/PNE Модифікація HDR / Привід із редуктором

Шумова потужність тільки насоса (без приводної трансмісії, блоку всмоктування, глушників)
RPM |
Вакуум-надлишковий тиск |
PNE 73-83 |
PNR 73-83 |
PNE 104-124 |
PNR 104-124 |
PNR 142 |
|
Номінальна швидкість |
вакуум 80% |
90 |
92 |
90 |
93 |
94 |
|
Δ press 600 миллібар |
103 |
103 |
104 |
104 |
105 |
Діаметр патрубків
|
Ø |
Регульованого патрубка |
Фіксованого патрубка |
|||||
|
PNR/E |
Ø76 |
Ø80 |
Ø100 |
Ø60 |
Ø76 |
Ø80 |
Ø100 |
|
73 |
• |
|
|
• |
• |
• |
|
|
83 |
• |
|
|
• |
• |
• |
|
|
104 |
• |
• |
• |
|
• |
• |
• |
|
124 |
• |
• |
• |
|
• |
• |
• |
|
142 |
|
• |
• |
|
|
• |
• |
Комплектація
- Колісна формула 4х4 / Кабіна T-WAY / Active Day / Денна
- КПП. Автоматизована / 16 ступенева / ZF
- Тип задньої вісі. Бортові редуктори (Hub Reduction)
- Підвіска. Передня механічна / Задня механічна
- Гальма. Передні барабанні / Задні барабанні
- Колісна база. 4 500 мм
- Колір кабіни. Основний колір кабіни – Білий (50105)
- Призначення. Off-road (Складні умови та бездоріжжя)
Шасі
- Блокування переднього диференціалу
- Задній стабілізатор поперечної стійкості
- Фільтр попереднього очищення палива з обігрівом
- Підігрів паливного баку
- EBS Off-road Mode (Електронна гальмівна система із алгоритмом роботи на бездоріжжі, включно із ABS та EBL)
- Rocking Mode (Функція «розгойдування» авто при пробуксовуванні коліс)
- 15-контактний електричний роз’єм для причіпного обладнання (1x15pin)
- Посилена задня поперечина рами D=20 (для буксирувального пристрою)
- Задній протипідкатний пристрій, згідно вимог R58.03
- Захист заднього звису
- Шланг для накачування повітря в колесах
- Розмір шин привідної вісі 395/85R20
- Шини передні та задні односкатні 395/85R20. Протектор для бездоріжжя
Кабіна
- Дзеркала заднього огляду з електроприводом та обігрівом
- Аудіо магнітола IVECO DAB (Bluetooth + USB)
- Шторка сонцезахисна на вікні дверей водія
- Передні стійки кабіни із аеродинамічними накладками A-PILLAR високої ефективності
- Зовнішній сонцезахисний козирок з LED габаритними вогнями
- Захисні металеві решітки на фарах головного світла
- Протитуманні фари