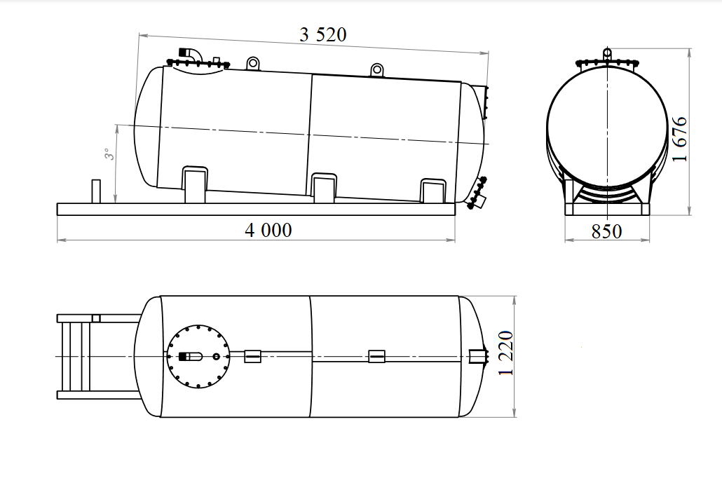
Вакуумна машина KST-6 об'ємом 6 м3, що виготовлена з високоякісної конструкційної сталі 09Г2С, на шасі Hyundai з колісною формулою 4х2 призначена для вакуумного очищення вигрібних ям глибиною до 6.5 м і транспортування фекальних рідин до місця утилізації. Заповнення цистерни (з товщиною стінки від 4 до 8 мм) здійснюється під дією вакууму 0,085 МПа, звільнення цистерни відбувається самопливно або під тиском повітря від вакуумного насоса Jurop PN 45 потужністю 318 м³/год протягом 7 хвилин.
Креслення


Схема та креслення асенізаторної надбудови


Опис
-
Заповнення цистерни здійснюється під дією вакууму, звільнення цистерни самопливно або тиском повітря від вакуумного насоса.
-
Наповнення цистерни рідкими відходами здійснюється шляхом створення в цистерні розрідження.
-
При досягненні граничного рівня заповнення цистерни сигнально-запобіжний пристрій автоматично зупиняє двигун (на дизельних машинах подається звуковий сигнал).
-
Звільнення цистерни здійснюється як самопливом, так і під тиском.
-
Для візуального спостереження за наповненням цистерни є оглядові вікна.
-
Для зручності роботи в темний час доби робоче місце оператора висвітлюється спеціальної фарою.
-
Високоякісне фарбування всіх вузлів і деталей до збірки в поєднанні із суцільним зварювальним швами запобігає утворенню вогнищ корозії і забезпечує надійність і довговічність металоконструкцій.
До складу спецобладнання входять:
-
цистерна,
-
вакуумний насос з приводом,
-
сигнально-запобіжний пристрій,
-
трубопроводи вакуум-нагнітальної системи з краном,
-
Приймальний люк зі всмоктувальним шлангом,
-
майданчики для обслуговування,
-
електрообладнання.
Вакуумна система призначена для створення розрідження в цистерні при наповненні її відходами і тиску при їх зливі.
Вакуумна система включає:
-
4-х ходовий кран;
-
вакуумний насос;
-
систему трубопроводів.
На лінії всмоктування встановлений поплавцевий клапан, який монтується на кришці сигнально запобіжного пристрою і перекриває всмоктуючу лінію при наповненні цистерни, тим самим унеможливлює попадання відходів в насос. Окрім цього на лінії всмоктування встановлений бачок проміжний, який призначений для збору конденсату, що утворюється під час заповнення цистерни відходами у всмоктуючій лінії. У нагнітальній лінії насоса встановлений глушник, для зниження шуму при виході повітря з насоса.
Альтернативи шасі для встановлення надбудови

Скорочені характеристики вакуумного насоса
|
Торгова марка |
JUROP |
|
Габаритні розміри |
535х275х508 мм. |
|
Вага |
90 кг. |
|
Тиск |
1.5 бар. |
|
Продуктивність |
318 м3/год. |
Технічні характеристики навісного обладнання
|
Найменування показника |
Значення |
||
|
Найменування шасі |
HYUNDAI QT EX10 |
||
|
Тип приводу робочих органів (вакуумний насос) |
Механічний |
||
|
Характеристики насоса: |
|||
|
*Продуктивність вакуумного насоса JUROP |
492 м³/год. |
||
|
- розрідження, не менше |
0,085 МПа. |
||
|
Ємність технологічна, цистерни |
6 м³ |
||
|
Кількість обслуговуючого персоналу |
2 чол. |
||
|
Час наповнення цистерни |
5-7 хв. |
||
|
Швидкість спорожнення цистерни самопливом, не менше |
35 м³/год. |
||
|
*Максимальна глибина всмоктування |
17 м. |
||
|
Країна виробник асенізаційного обладнання |
Україна |
||
Технічні характеристики шасі Hyundai QT EX-10
|
Марка |
HYUNDAI |
|
Модель |
QT EX10 |
|
Тип |
шасі |
|
Вага |
|
|
Повна маса |
10 300 кг. |
|
Вантажопідйомність |
7 130 кг. |
|
Споряджена вага шасі |
3 170 кг. |
|
Навантаження на передню вісь |
3 700 кг. |
|
Навантаження на задню вісь |
6 600 кг. |
|
Габаритні розміри |
|
|
Довжина |
6 370 мм. |
|
Ширина (по кабіні) |
2 028 мм. |
|
Висота |
2 290 /2 310 |
|
Двигун |
|
|
Модель |
D4GA |
|
Потужність |
170 к.с. (125 кВт)при 25 000 об/хв |
|
Макск. рутний момент |
609/1400 Н.м/об. |
|
Тип двигуна |
Дизельний з турбокомпресором |
|
Паливо |
Дизельне |
|
Об'єм |
3933 см³ |
|
Кількість циліндрів |
4, рядне |
|
Екологічний клас |
Euro 5 |
|
Паливна система |
Common rail |
|
Паливний бак |
100 л. |
|
КПП |
|
|
Трансмісія |
Т06s5 |
|
Гальмівна система |
|
|
Робоча |
Пневматичні гальма |
|
Стоянкова |
Пневматичні енергоакумулятори на задню вісь |
|
Додаткова |
газодинамічна |
|
Передні/задні гальма |
Барабанні 325 х 118 х 14 мм |
|
Шини передні/задні |
225/75R17.5 14PR; безкамерні |
|
Осі |
|
|
Кількість осей |
2 |
|
Колісна формула |
4x2 |
|
Підвіска |
пневмо/пневмо |
|
Колісна база |
3 600 мм |
| Максимально дозволений задній звис | 1845 мм |
|
Розмір гуми |
225/75 R17,5 |
|
Гальма |
барабанні |
|
Кліренс мінімальний |
220 |
|
Радіус розвороту мінімальний |
8,2 |
|
Електрообладнання |
|
|
Акумулятори |
2 x 24V-90AH-MF |
|
Генератор |
24V-90A |
|
Стартер |
24V 5.0KW |
|
Серворуль |
+ |
|
Кондиціонер |
+ |
|
Тип підвіски, передньої: |
Ресорна |
|
Тип підвіски, задньої: |
Ресорна |
|
Рульовий механізм |
З гідропідсилювачем |
Екологічні показники
|
Рівень шуму на нерухомому КТЗ |
88 дб(А) за частоти обертання 875 хв-1 |
|
Під час руху КТЗ |
78 дб(А) |
|
Випробування типу І або ESC |
|
|
СО ТНС NOx |
0,04 g /kwh 0,006 g/kwh 1,83 gkwh |
|
Тверді частки |
0.009 g /kwh |
|
Димність (скоригований коефіцієнт поглинання): |
0,553m-1 |
Особливості
Клапан запобіжний КО-503
Клапан запобіжний КО-503 встановлюється в кришку СПУ цистерни і призначений для регулювання надлишкового тиску в цистерні.
Перед початком експлуатації необхідно перевірити працездатність запобіжного клапана на обмеження надлишкового тиску та тиску розрядження у цистерні. Запобіжний клапан, зображений на малюнку 8, на заводі відрегульований на надлишковий тиск 0,03+0,01 МПа (0,3+0,1 кгс/см 2) і розрядження 0,08МПа (0,8 кгс/см2).
Перевірку працездатності запобіжного клапана починайте з регулювання клапана розрядження, для цього:
- встановіть на всмоктувальній трубі вакуум-нагнітальної системи мановакууометр;
- закрийте приймальний лючок;
- послабте контргайку поз. 6 згідно з малюнком 8 на запобіжному клапані;
- виверніть заглушку і зніміть пружину 2;
- запустіть двигун;
- вімкніть вакуумний насос і встановіть частоту обертання насоса 1450 об/хв;
- встановіть важіль 4-х ходового крана в положення «всмоктування»;
- гайками поз. 8 відрегулюйте пружину поз. 3 за показанням мановакууометра на розрядження 0,08 МПа (0,8 кгс/см2);
У міру зношування внутрішньої поверхні цистерни через 4 роки експлуатації машини знижуйте налаштування клапана на 0,01 МПа (0,1 кгс/см2) після кожного року експлуатації, щоб уникнути деформації цистерни.
Для перевірки клапана тиску необхідно:
- встановити пружину 2;
- встановити заглушку 1;
- наповнити цистерну водою до автоматичної зупинки двигуна або звукового сигналу сигнально-запобіжного пристрою;
- закрити лючок;
- вимкнути сигнально-запобіжний пристрій та вакуумний насос;
- встановити важіль 4-х ходового крана в положення «нагнітання»;
- запустити двигун;
- включити вакуумний насос і встановити частоту обертання валу насоса 1450 об /хв, при цьому надлишковий тиск у цистерні за показанням манометра має бути 0,03-0,04 МПа (0,3-0,4 кгс/см2). У разі перевищення тиску слід відрегулювати запобіжний клапан пружиною 2 Рис. 8. Для цього, повертаючи заглушку 1, встановити необхідний тиск.

1-заглушка, 2,3-пружини, 4-корпус, 5-шайба, 6-контргайка,
7 корпус корпусу, 8 гайка.
Особливості насосу Jurop

Вакуумні насоси з повітряним охолодженням.
- Модель PNR поступається моделі PNE у зв'язку з охолодженням за допомогою повітряної ежекції, замість атмосферного повітря. Регульована ежекція повітря забезпечує ефективне охолодження, навіть під час використання насоса у важких умовах експлуатації (запатентована технологія).
- Модель 142 відсутня у версії PNE.
- Прямий привід із циліндричним валом діаметра або Ø1" 3/8.
- З редуктором при 540-1000 об/хв.
- Обертанням проти годинникової стрілки.
- П'ять лопатей з термостійкого параамідного синтетичного волокна; тангенціальне розташування знижує знос, пов'язаний з тертям, і забезпечує збільшення терміну служби насоса.
- Автоматичний безповоротний клапан на лінії всмоктування.
- Автоматичне змащування за допомогою об'ємного дозувального насоса. Задній бак (PNR/E 73-124). Бічний резервуар (PNR142). Мідні труби та фітинги.
Обертання за годинниковою стрілкою.
- Алюмінієві орієнтовані патрубки, на різні діаметри.
- З гідравлічним двигуном.
- Керування за допомогою двигуна внутрішнього згоряння, гідромотора або механічного приводу from a Power Take Off.
- Шків приводного ременя.
- Пневмопривід або гідропідсилювач на клапані, що перемикається, для тиску і розрідження.
- Система попередження про перегрів насоса.
Експлуатаційні хараткеристики насосу Jurop та схема Вакуумної системи.

Креслення вакуумного насосу Jurop в двох варіантах
№1 PNR/PNE Пряма передача

№2 NR/PNE Модифікація HDR / Привід із редуктором

Шумова потужність тільки насоса (без приводної трансмісії, блоку всмоктування, глушників)
RPM |
Вакуум-надлишковий тиск |
PNE 73-83 |
PNR 73-83 |
PNE 104-124 |
PNR 104-124 |
PNR 142 |
|
Номінальна швидкість |
вакуум 80% |
90 |
92 |
90 |
93 |
94 |
|
Δ press 600 миллібар |
103 |
103 |
104 |
104 |
105 |
Діаметр патрубків
|
Ø |
Регульованого патрубка |
Фіксованого патрубка |
|||||
|
PNR/E |
Ø76 |
Ø80 |
Ø100 |
Ø60 |
Ø76 |
Ø80 |
Ø100 |
|
73 |
• |
|
|
• |
• |
• |
|
|
83 |
• |
|
|
• |
• |
• |
|
|
104 |
• |
• |
• |
|
• |
• |
• |
|
124 |
• |
• |
• |
|
• |
• |
• |
|
142 |
|
• |
• |
|
|
• |
• |