Вакуумна машина KST-16 з об'ємом цистерни 16 м³, виготовлена з високоякісної конструкційної сталі 09Г2С, на шасі RENAULT К440 з колісною формулою 6х4 призначена для вакуумного очищення вигрібних ям глибиною до 6.5 м і транспортування фекальних рідин до місця утилізації. Заповнення цистерни здійснюється під дією вакууму 0,085 МПа, звільнення цистерни (з товщиною стінки від 4 до 8 мм) відбувається самопливом або під тиском повітря від вакуумного насоса Jurop PN 45 потужністю 318 м³/год протягом 7 хвилин.
Креслення



Опис
Вакуумна машина KST-16 на базі Renault K440 (6х4) — це надпотужна спецтехніка підвищеної прохідності, розроблена для роботи в найскладніших дорожніх та кліматичних умовах. На відміну від версії на шасі D26, ця модель побудована на посиленому вантажному шасі серії K (Kerax), що дозволяє впевнено працювати на будівельних майданчиках, у кар'єрах та сільській місцевості поза межами асфальтованих доріг.
Вакуумне обладнання
Спеціальне обладнання складається з:
-
цистерни;
-
вакуумного насоса з приводом;
-
сигнально-запобіжного пристрою;
-
приймального лючка з всмоктувальним шлангом;
-
кранів управління з трубопроводом і додаткового електрообладнання.
Заповнення цистерни здійснюється під дією вакууму, звільнення цистерни самопливом або тиском повітря від вакуумного насоса.
Особливості конструкції цистерни:
- Цистерна зі сталевого листа товщиною 4 мм, посилена ребрами жорсткості.
- Укладання рукавів в пенал.
- Два рукава загальною довжиною від 6 до 50 м з внутрішнім діаметром 100 мм.
- Об'єднання рукавів і лючка через імпортні швидкознімні з'єднання.
- Оглядове вікно для візуального контролю.
- Експлуатація в межах температури від -20 С до +40 С.
Вакуумна система включає:
- 4-х ходовий кран;
- вакуумний насос;
- систему трубопроводів.
На лінії всмоктування встановлений поплавковий клапан, який монтується на кришці сигнально-запобіжного пристрою і перекриває всмоктувальну лінію при наповненні цистерни, тим самим унеможливлюючи потрапляння відходів в насос. Крім цього, на лінії всмоктування встановлений проміжний бачок, який призначений для збору конденсату, що утворюється при заповненні цистерни відходами у всмоктувальній лінії. У нагнітальній лінії насоса встановлений глушник для зниження шуму при виході повітря з насоса.
Опис асенізаційного обладнання та його особливостей:
-Наповнення цистерни рідкими відходами здійснюється шляхом створення в цистерні розрідження.
-При досягненні граничного рівня заповнення цистерни сигнально-запобіжний пристрій автоматично зупиняє двигун (на дизельних машинах подається звуковий сигнал).
-Спорожнення цистерни здійснюється як самопливом, так і під тиском.
-Для візуального спостереження за наповненням цистерни є оглядові вікна.
-Для зручності роботи в темний час доби робоче місце оператора освітлюється спеціальною фарою.
-Високоякісне фарбування всіх вузлів і деталей до складання в поєднанні з суцільними зварними швами запобігає утворенню осередків корозії і забезпечує надійність і довговічність металоконструкцій.
Шасі Renault K 440
ДВИГУН DXi 13
-
Максимальна потужність: 323 кВт за 1400—1900 об/хв.
-
Максимальний обертовий момент: 2200 Нм за 1050—1400 об/хв.
-
Рядний 6-циліндровий двигун - Впорскування під високим тиском (2400 бар) інжекторними насосами - 24 клапани - кулачкові вали спереду, задній розподіл
-
Отвір 131 мм - хід 158 мм - Робочий об'єм 12,8 л
-
Вентилятор з електронним керуванням
-
Наддування турбокомпресором
-
Напрям обертання (якщо дивитися з боку КП): проти годинникової стрілки
-
Інтервал заміни оливи до 100 000 км
-
Посилений масляний картер
-
EURO 5 EEV (Enhanced Environmentally friendly Vehicle)
-
Екологічні норми ЄВРО 5
-
Охолоджувальна рідина з температурою змерзання -40 оС
-
Трубка підігріву на двигуні.
ОБЛАДНАННЯ ДВИГУНА
-
Картер керма двигуна алюміній.
-
Управління уповільненими передачами під час руху (важкий ґрунт)
-
Режим Power (Eco - Eco off)
-
Часткова рециркуляція парів мастила (напівзакритий контур)
-
Пристрій для холодного старту з попереднім підігрівом впускного повітря
-
Без вала відбору потужності двигуна.
-
Електронний обмежувач швидкості (90 км/год)
-
ПОВІЛЬНИК
-
OPTIBRAKE+:
-
Комбінація сповільнювача на вихлопі та компресійних гальм на клапанах. Повне електронне управління (потужність 414 кВт при 2300 об/хв), підключення до робочих гальм.
-
ЗЧЕПЛЕННЯ
-
Однодискове зчеплення діаметром 430 мм.
КОРОБКА ПЕРЕДАЧ
-
Коробка передач Optidriver AT 2612 (14,94 - 1) автоматичне зчеплення. Алюмінієвий картер.
-
Максимальний крутний момент 2550 Нм, 12 передач для руху вперед і 3 задніх передачі.
-
Вибір режиму руху на рульовому колесі (автоматичний / ручний) за допомогою перемикача передач.
-
Посилена коробка перемикання передач Optidriver для жорстких умов експлуатації
-
(XTREM)
-
Потужний охолоджувач масла коробки передач/води і повітря/води
ВАЛ ПРИЙМАЛЬНОЇ ПОТУЖНОСТІ
-
Вал приймальної потужності S84
-
Вихід: шліцьовий вал (DIN 5462).
-
Напрямок обертання: до двигуна.
-
Крутний момент 430 Нм.
-
Передавальні числа: 0,91 / 1,16
-
Положення: 17 год.
РУЛЬОВЕ КЕРУВАННЯ
-
Підсилювач керма з гідравлічним насосом із змінною витратою.
-
Коефіцієнт керування 26,2:1 - Діаметр керма 500 мм.
-
Гідропідсилювач з 1-м незалежним контуром і 1-м насосом.
-
Правосторонній рух.
МОСТИ
-
Передня вісь з необслуговуваними маточинами
-
Навантаження на задню вісь (макс. технічне): 32 т
-
Радіометр PMR 3361R з подвійною редукцією з посиленими чавунними картерами
-
Міжколісна блокування диференціала
-
Рівномірно розподілене навантаження на задню вісь
-
Передавальне число моста: 3,76
-
Режим обертання двигуна при 90 км/год: 1645 об/хв
ШИНИ ТА КОЛЕСА
- Розмір 385/65 + 13 R22,5
- Сталеві колеса
- Металеві ковпаки передніх коліс
- Запасне колесо на тимчасовому кріпленні.
РОБОЧІ ГАЛЬМА
-
Повітряний компресор 900 л/хв, 636 см³ двоциліндровий
-
Гальмівна система з двома незалежними контурами.
-
Барабанне гальмування
-
Захист від пилу на задньому гальмі
-
Електронне управління виробленням повітря здійснюється за допомогою EACU (Електронного блоку управління пневмопідвіскою)
-
Картридж осушувача оптимізується за допомогою профілактичного технічного обслуговування
-
Сталева захисна обшивка на EACU
-
Глушник на пневматичній системі
-
Без приладу для гальмування причепа.
-
Задні гальмівні циліндри у верхньому положенні
ЕЛЕКТРОННІ СИСТЕМИ ГАЛЬМУВАННЯ
-
Антиблокувальна гальмівна система (ABS)
-
Антибуксуюча система (ASR)
-
Контроль гальмівного моменту (контроль гальмівного моменту при русі заднім ходом)
-
Рівномірний знос гальмівних колодок (дисків)
-
Взаємодія сповільнювачів і робочих гальм
-
Управління включенням диференціала (якщо передбачено) на швидкості <10 км/год
-
(4x2)
-
Система допомоги при рушанні на підйомі (Hill Start Aid)
-
Система оповіщення про недостатню ефективність гальмівної системи
-
Контроль курсової стійкості та система запобігання перекиданню ESC (Electronic
-
Stability Control)
-
Випробування тягової сили зчеплення
-
Система допомоги при екстреному гальмуванні (AFU)
СТОЯНКОВЕ ГАЛЬМО
-
EPB (Electronic Parking Brake) автоматичне стоянкове гальмо, неможливість руху забезпечується пружинними циліндрами.
-
Посилене стоянкове гальмо.
ЗОВНІШНЯ ЧАСТИНА КАБІНИ
-
Денна кабіна.
-
Електрооцинкована металева кабіна, оброблена катафорезом.
-
Колір кабіни: жовтий.
-
Червона емблема.
-
Механічна підвіска кабіни з 4 фіксаторами.
-
2 дзеркала заднього виду з підігрівом і дистанційним керуванням.
-
2 ширококутні дзеркала заднього виду.
-
Дзеркало заднього виду для паркування.
-
Загальна ширина на рівні дзеркал заднього виду 2,550 м.
-
Складні дзеркала переднього огляду
-
Пневматичний сигналізатор
-
Фартухи передніх крил
-
Чорне покриття зовнішніх деталей
-
Сонячний козирок.
-
Багатошарове тоноване лобове скло.
-
Без вікна на задній стінці кабіни.
ВСЕРЕДИНІ КАБІНИ
-
Оздоблення салону кабіни - Темний колір
-
Полиця під дахом Quality, 1 відсік замикається на ключ, 1 відсік з сіткою і 4 модулі ISO
-
Сонячний козирок на лобовому склі і на бічному склі водія
-
Без камери заднього ходу
-
Цифровий хронотахограф DTCO 3.0
-
Без калібрування тахографа
-
Розетка 24 В на полиці
-
Без люка на даху
-
Гумовий килимок
-
Сидіння водія COMFORT:
-
З пневмопідвіскою
-
Регульована вертикальна амортизація
-
Нахил подушки сидіння
-
Регулювання по довжині і висоті
-
Знімний чохол
-
Регульований підголівник
-
Функція швидкого опускання сидіння із запам'ятовуванням регулювання висоти
-
Регулювання бічної опори спинки сидіння
-
Регулювання бічної опори подушки сидіння
-
Регульована поперекова опора
-
Висувна подушка сидіння
-
Функція блокування підвіски сидіння водія
-
Два підлокітники водія
Сидіння пасажира:
-
Без пневмопідвіски
-
Нахил подушки сидіння
-
Регулювання по довжині
-
Вбудований підголівник
-
Два підлокітники пасажира
-
Тканинна оббивка сидінь
-
Червоні ремені безпеки
-
Нагадування про необхідність пристебнути ремінь безпеки
-
Роз'єм для обдувача
-
Вентилятор в салоні
-
Задній знімний відсік для речей з лівого боку
-
Лампи для читання на полиці
-
Пряме освітлення кабіни
-
Поступове освітлення кабіни
-
2 вішалки з задньої сторони
-
Аптечка
-
Імпульсний склопідйомник з боку водія
-
Кондиціонер з електронним регулюванням.
-
Фільтрація повітря кабіни, миючий фільтр
-
Інструкція з експлуатації українською мовою.
-
2 динаміки + 2 високочастотних динаміки
-
Журнал (реєстрація часу роботи двигуна).
-
Вогнегасник 2 кг в кабіні, доступний зсередини і зовні кабіни
ОБЛАДНАННЯ НА КЕРМІ
-
4-спицеве кермо "Performance" з регулюванням висоти та глибини та з перемикачем регулятора швидкості
-
Орган керування OPTIDRIVER
-
Орган керування сповільнювачем та OPTIBRAKE праворуч.
-
Кермова колонка з 3 положеннями регулювання
-
Відкидний столик
-
CD-програвач типу "моно", сумісний з форматами mp3/WMA
-
Подвійний тюнер для миттєвого оновлення списку радіостанцій
-
Кнопки керування радіо під кермом
-
Штекерний роз'єм (3,5) і USB-роз'єм для mp3-плеєра
-
Інтерфейс "вільні руки" для мобільного телефону (за технологією Bluetooth), потокова передача аудіо, кнопки на кермі, мікрофон на верхній панелі під дахом, виведення звуку на динаміки автомобіля
-
Інформація на головному дисплеї
ПАНЕЛЬ ПРИЛАДІВ
-
Компактна панель приладів
-
Кольоровий дисплей 7" HD
-
Розетка 12+ 24 В на панелі приладів для додаткового обладнання.
-
Імобілайзер з керуванням через ключ з відповідачем.
-
Кнопка запуску
-
Задана клієнтом швидкість на спуску +5 км/год
-
Регулятор швидкості й обмежувач швидкості з можливістю налаштування за допомогою обертального органа керування
-
Режим Power (Eco - Eco off)
-
Без режиму Eco
ЕЛЕКТРОННЕ ОБЛАДНАННЯ
-
Дисплей українською та англійською мовами
-
Додаткова мова (російська)
-
Роз'єм OBD в кабіні для отримання інформації щодо експлуатації і діагностики автомобіля
-
Кнопка допомоги для полегшення геолокації за допомогою платформи 24/7
-
Телематичний блок TGW3 4G з антеною і можливістю підписки на сервіси Optifleet (Map, Check, Drive)
-
SIM-карта AT&T
ЕЛЕКТРИЧНЕ ОБЛАДНАННЯ
-
Ємність акумулятора 225 Аг.
-
Ручне відключення акумулятора
-
Перехід електричного контуру в режим очікування
-
Генератор 150 А
-
Без захисту на задніх ліхтарях
-
Світлодіодні задні прибори освітлення та сигналізації (стандарт CEE e2 10113)
ШАСІ
-
Захисне фарбове покриття рами кольору «Сірий мінерал»
-
Повністю посилена рама від передньої до задньої частини автомобіля
-
Звіс для самоскиду, з отворами для кузовщика.
-
Посилена передня зйомна скоба для буксирування
-
Задній протипідкатний брус, встановлений на шасі
-
Середня траверса трансмісії
-
Задня замикаюча траверса з попередньо висвердленими отворами для причіпного пристрою
-
Подвійна фільтрація повітря для атмосфери зі збільшеним вмістом пилу
-
Задні крила з підкрилками
-
Випуск вертикальної вихлопної труби з нержавіючої сталі з термоекраном
ЗОВНІШНЄ ОСВІТЛЕННЯ ТА ОБЛАДНАННЯ
-
Сталевий бампер
-
Висувні сходинки доступу до лобового скла на радіаторі та під бампером
-
Доступ до місця водія через 4 сходинки. 1-а гнучка сходинка з композитного матеріалу
-
Освітлення підніжки
-
Посилені сходинки доступу до кабіни
-
Металічні пороги дверей
-
3 секції бампера, пофарбовані в чорний колір
-
Сходи позаду кабіни та поручень
-
Денні вогні
-
Підготовка до встановлення площини під фари на даху
-
Передні протитуманні фари.
-
2 оранжевих світлодіодних проблискових маячки
ПЕРЕДНЯ ПІДВІСКА
-
Передні 3-пластинчасті параболічні ресори
-
Посилений стабілізатор
ЗАДНЯ ПІДВІСКА
-
Задня підвіска з посиленими 4-листовими параболічними ресорами
-
Стабілізатор.
-
Задній амортизатор
ПАЛИВНИЙ БАК
-
Основний сталевий паливний бак.
-
Бак на 450 літрів (D710) справа
-
Електричний обігрівач на дизельному фільтрі
-
Фільтр грубого очищення із відстійником, посилений (R90).
-
Керування зливом із панелі приладів.
AdBlue
-
Бак AdBlue на 64 л.
-
Профіль у формі «D» 560 мм у діаметрі.
-
Бак для сечовини ліворуч
СТАНДАРТНЕ ОБЛАДНАННЯ
-
Набір інструментів.
-
Подовжувач для накачування
-
Домкрат 20 т
-
Жилет безпеки
-
Знак аварійної зупинки.
-
Пластиковий відсік для зберігання, що замикається на ключ, з лівого боку шасі.
-
Звуковий сигнал заднього ходу.
-
Об'єм резервуара для склоомивача 8,8 літра
ПІДГОТОВКА ДЛЯ ВСТАНОВЛЕННЯ КУЗОВА
-
6 пар комплектів для напівжорсткого кріплення (шайби)
-
Скоби для фіксації кузова попереду та пластини фіксації позаду
-
Доступ перегородки кабіни для кузовщика.
-
Попереднє встановлення заднього вантажного освітлення
-
Оранжеві світлодіодні бокові вогні з рефлектором
|
Параметр |
Значення |
Одиниці вимірювання |
|
Місткість цистерни |
16 |
м3 |
|
* Глибина очисної ями |
6.5 |
м |
|
*Продуктивність вакуумного насосу |
318 |
куб.м / год |
|
Максимальне розрідження в цистерні |
0,085 |
МПа |
|
Час наповнення цистерни |
5-7 |
хв |
|
Швидкість спорожнення цистерни |
35 |
м3/год |
|
Країна виробник асенізаційного обладнання |
Україна |
|
|
Колісна база |
|
мм |
4,300 |
|
|||
|
|
|
|
|
|
|||
|
Корисне навантаження |
(C) |
кг |
31730 |
|
|||
|
Макс. маса для реєстрації |
Усього (повна маса автомобіля) |
кг |
42000 |
|
|||
|
передня група осей |
кг |
10000 |
|
||||
|
Передня вісь 1 |
кг |
10000 |
|
||||
|
задня група осей |
кг |
32000 |
|
||||
|
вісь задня 1 |
кг |
16000 |
|
||||
|
вісь задня 2 |
кг |
16000 |
|
||||
|
Передній звис |
(H / BEP L016) |
мм |
1488 |
||||
|
Колісна база |
(F / BEP L011) |
мм |
4300 |
||||
|
Технічна колісна база |
(F' / BEP L015) |
мм |
4985 |
||||
|
Міжосьова відстань |
осі 2-3 (BEP L012.2) |
мм |
1370,00 |
||||
|
Задній звис |
Шасі, габарити (BEP L017) |
мм |
966 |
||||
|
Задній звис кузова |
мін. (Xmin / BEP L017) |
мм |
2442 |
||||
|
макс. (Xmax: BEP L017) |
мм |
3265 |
|||||
|
Задній звис |
від края технічної колісної бази (N') |
мм |
1369,00 |
||||
|
Вхід до кабіни |
(B / BEP L102) |
мм |
765 |
||||
|
Довжина кузова |
мін. (Wmin / BEP L105) |
мм |
6662 |
||||
|
макс. (Wmax / BEP L105) |
мм |
7485 |
|||||
|
Центр ваги навантаження |
усього (Y / BEP?) |
мм |
0 |
||||
|
макс. (Ymax / BEP L103) |
мм |
889 |
|||||
|
мін. (Ymin / BEP L104) |
мм |
478 |
|||||
|
Цент ваги автомобиля |
по X (BEP L044) |
мм |
2289,00 |
||||
|
Загальна довжина шасі-кабіни |
(A / BEP L001) |
мм |
7983 |
||||
|
Передній звис |
(H / BEP L016) |
мм |
1488 |
|
|||
|
Колісна база |
(F / BEP L011) |
мм |
4300 |
|
|||
|
Технічна колісна база |
(F' / BEP L015) |
мм |
4985 |
|
|||
|
Міжосьова відстань |
осі 2-3 (BEP L012.2) |
мм |
1370,00 |
|
|||
|
Задній звис |
Шасі, габарити (BEP L017) |
мм |
966 |
|
|||
|
Задній звис кузова |
мін. (Xmin / BEP L017) |
мм |
2442 |
|
|||
|
макс. (Xmax: BEP L017) |
мм |
3265 |
|
||||
|
Задній звис |
від края технічної колісної бази (N') |
мм |
1369,00 |
|
|||
|
Вхід до кабіни |
(B / BEP L102) |
мм |
765 |
|
|||
|
Довжина кузова |
мін. (Wmin / BEP L105) |
мм |
6662 |
|
|||
|
макс. (Wmax / BEP L105) |
мм |
7485 |
|
||||
|
Центр ваги навантаження |
усього (Y / BEP?) |
мм |
0 |
|
|||
|
макс. (Ymax / BEP L103) |
мм |
889 |
|
||||
|
мін. (Ymin / BEP L104) |
мм |
478 |
|
||||
|
Цент ваги автомобиля |
по X (BEP L044) |
мм |
2289,00 |
|
|||
|
Загальна довжина шасі-кабіни |
(A / BEP L001) |
мм |
7983 |
|
|||
|
|
|
|
|
|
Макс. зовнішня ширина кабіни (зі складеними дзеркалами заднього виду) |
(BEP W001) |
мм |
2544,00 |
|
Максимальна ширина кабіни |
(BEP W002) |
мм |
2529 |
|
Ширина рами |
спереду (BEP W035) |
мм |
1080 |
|
у задній частині (BEP W036) |
мм |
852 |
|
|
Ширина на рівні задніх коліс |
Задня вісь 1 (V3 / BEP W003.2) |
мм |
2544 |
|
Колія |
задня 1 (V2 / BEP W013.2) |
мм |
1874 |
|
перед. (V1 / BEP W013.1) |
мм |
2109 |
|
|
Задній кут |
(BEP H010) |
° |
25 |
|
Кут підйому |
(BEP H012) |
° |
21,70 |
|
Кут нахилу |
(BEP H011) |
° |
29,40 |
|
Товщина лонжеронів |
(BEP W034) |
мм |
13,00 |
|
Радіус повороту |
габарит. (BEP W012) |
мм |
9350,00 |
|
між тротуарами |
мм |
8744,00 |
|
|
внутр. |
мм |
4331,00 |
Особливості
Клапан запобіжний КО-503
Клапан запобіжний КО-503 встановлюється в кришку СПУ цистерни і призначений для регулювання надлишкового тиску в цистерні.
Перед початком експлуатації необхідно перевірити працездатність запобіжного клапана на обмеження надлишкового тиску та тиску розрядження у цистерні. Запобіжний клапан, зображений на малюнку 8, на заводі відрегульований на надлишковий тиск 0,03+0,01 МПа (0,3+0,1 кгс/см 2) і розрядження 0,08МПа (0,8 кгс/см2).
Перевірку працездатності запобіжного клапана починайте з регулювання клапана розрядження, для цього:
- встановіть на всмоктувальній трубі вакуум-нагнітальної системи мановакууометр;
- закрийте приймальний лючок;
- послабте контргайку поз. 6 згідно з малюнком 8 на запобіжному клапані;
- виверніть заглушку і зніміть пружину 2;
- запустіть двигун;
- вімкніть вакуумний насос і встановіть частоту обертання насоса 1450 об/хв;
- встановіть важіль 4-х ходового крана в положення «всмоктування»;
- гайками поз. 8 відрегулюйте пружину поз. 3 за показанням мановакууометра на розрядження 0,08 МПа (0,8 кгс/см2);
У міру зношування внутрішньої поверхні цистерни через 4 роки експлуатації машини знижуйте налаштування клапана на 0,01 МПа (0,1 кгс/см2) після кожного року експлуатації, щоб уникнути деформації цистерни.
Для перевірки клапана тиску необхідно:
- встановити пружину 2;
- встановити заглушку 1;
- наповнити цистерну водою до автоматичної зупинки двигуна або звукового сигналу сигнально-запобіжного пристрою;
- закрити лючок;
- вимкнути сигнально-запобіжний пристрій та вакуумний насос;
- встановити важіль 4-х ходового крана в положення «нагнітання»;
- запустити двигун;
- включити вакуумний насос і встановити частоту обертання валу насоса 1450 об /хв, при цьому надлишковий тиск у цистерні за показанням манометра має бути 0,03-0,04 МПа (0,3-0,4 кгс/см2). У разі перевищення тиску слід відрегулювати запобіжний клапан пружиною 2 Рис. 8. Для цього, повертаючи заглушку 1, встановити необхідний тиск.

1-заглушка, 2,3-пружини, 4-корпус, 5-шайба, 6-контргайка,
7 корпус корпусу, 8 гайка.
Особливості насосу Jurop

Вакуумні насоси з повітряним охолодженням.
- Модель PNR поступається моделі PNE у зв'язку з охолодженням за допомогою повітряної ежекції, замість атмосферного повітря. Регульована ежекція повітря забезпечує ефективне охолодження, навіть під час використання насоса у важких умовах експлуатації (запатентована технологія).
- Модель 142 відсутня у версії PNE.
- Прямий привід із циліндричним валом діаметра або Ø1" 3/8.
- З редуктором при 540-1000 об/хв.
- Обертанням проти годинникової стрілки.
- П'ять лопатей з термостійкого параамідного синтетичного волокна; тангенціальне розташування знижує знос, пов'язаний з тертям, і забезпечує збільшення терміну служби насоса.
- Автоматичний безповоротний клапан на лінії всмоктування.
- Автоматичне змащування за допомогою об'ємного дозувального насоса. Задній бак (PNR/E 73-124). Бічний резервуар (PNR142). Мідні труби та фітинги.
Обертання за годинниковою стрілкою.
- Алюмінієві орієнтовані патрубки, на різні діаметри.
- З гідравлічним двигуном.
- Керування за допомогою двигуна внутрішнього згоряння, гідромотора або механічного приводу from a Power Take Off.
- Шків приводного ременя.
- Пневмопривід або гідропідсилювач на клапані, що перемикається, для тиску і розрідження.
- Система попередження про перегрів насоса.
Експлуатаційні хараткеристики насосу Jurop та схема Вакуумної системи.


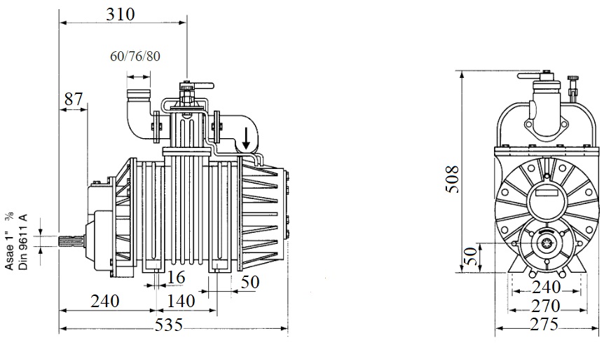
Креслення вакуумного насосу Jurop в двох варіантах
№1 PNR/PNE Пряма передача

№2 NR/PNE Модифікація HDR / Привід із редуктором

Шумова потужність тільки насоса (без приводної трансмісії, блоку всмоктування, глушників)
RPM |
Вакуум-надлишковий тиск |
PNE 73-83 |
PNR 73-83 |
PNE 104-124 |
PNR 104-124 |
PNR 142 |
|
Номінальна швидкість |
вакуум 80% |
90 |
92 |
90 |
93 |
94 |
|
Δ press 600 миллібар |
103 |
103 |
104 |
104 |
105 |
Діаметр патрубків
|
Ø |
Регульованого патрубка |
Фіксованого патрубка |
|||||
|
PNR/E |
Ø76 |
Ø80 |
Ø100 |
Ø60 |
Ø76 |
Ø80 |
Ø100 |
|
73 |
• |
|
|
• |
• |
• |
|
|
83 |
• |
|
|
• |
• |
• |
|
|
104 |
• |
• |
• |
|
• |
• |
• |
|
124 |
• |
• |
• |
|
• |
• |
• |
|
142 |
|
• |
• |
|
|
• |
• |