Вакуумна машина KST-9 з об’ємом цистерни 9м³, що виготовлена з високоякісної конструкційної сталі 09Г2С, на шасі шасі MAN TGM 18.250 з колісною формулою 4х4 призначена для вакуумного очищення вигрібних ям глибиною до 6.5 м і транспортування фекальних рідин до місця утилізації. Заповнення цистерни (із стінками від 4 до 8 мм) здійснюється під дією вакууму 0,085 МПа, звільнення цистерни відбувається самопливно або під тиском повітря від вакуумного насоса Jurop PN 45 потужністю 318 м³/год, протягом 7 хвилин.
Креслення

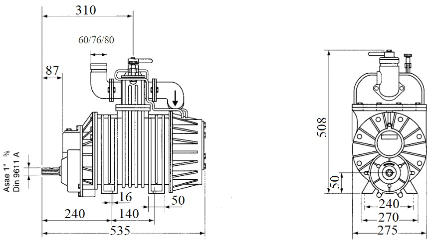
Насос

Схема асенізаторної надбудови

Опис
Вакуумна машина KST-9 MAN TGM 18.250 (4x4) призначена для вакуумного очищення вигрібних ям і транспортування фекальних рідин до місця утилізації..
Заповнення цистерни здійснюється під дією вакууму, звільнення цистерни самопливно або тиском повітря від вакуумного насоса.
Вакуумна машина KST-9 з об’ємом цистерни 9м³ — це унікальне поєднання потужного об'єму та безкомпромісної прохідності. Завдяки використанню легендарного німецького шасі MAN TGM з колісною формулою 4x4, ця машина здатна дістатися туди, де пасує звичайна техніка. Це ідеальний вибір для обслуговування об'єктів у важкодоступній місцевості, на будівельних майданчиках або в умовах суворого бездоріжжя.
Чому варто обрати саме KST-9 на повному приводі?
- Всюдихідні можливості: Повний привід (4x4) та високий кліренс шасі MAN TGM дозволяють впевнено працювати на розмитих ґрунтових дорогах, у гірській місцевості або під час снігових заносів. Для цієї машини не існує поняття "непроїзний шлях".
- Золота середина об'єму: Цистерна місткістю 9 м³ забезпечує ідеальний баланс між продуктивністю та маневреністю. Такого об'єму достатньо для очищення кількох великих септиків або промислових накопичувачів за один цикл.
- Німецька надійність MAN: Двигун потужністю 250 к.с. у поєднанні з посиленою трансмісією гарантує високе тягове зусилля та витривалість під час роботи вакуумного насоса у пікових режимах.
- Потужна вакуумна система: Насосне обладнання KST-9 розраховане на швидке всмоктування густих та в'язких опадів з глибини до 17 метрів, що робить машину універсальною для будь-яких типів відходів.
- Довговічність та захист: Цистерна виготовлена зі спеціальної сталі з внутрішнім епоксидним покриттям, що захищає метал від агресивної хімії та абразивних часток, подовжуючи термін служби спецтехніки.
Альтернативи шасі для встановлення надбудови

До складу спецобладнання входить:
- цистерна;
- вакуумний насос з приводом;
- сигнально-запобіжний пристрій;
- трубопроводи вакуум-нагнітальної системи з краном;
- приймальний люк зі всмоктувальним шлангом;
- електрообладнання.
Вакуумна система призначена для створення розрідження в цистерні при наповненні її відходами і тиску при їх зливі.
Особливості конструкції цистерни:
- Цистерна з сталевого листа товщиною 4 мм, посилена ребрами жорсткості;
- Укладання рукавів пенали;
- Два рукави загальною довжиною від 6 до 50 м з внутрішнім діаметром 100мм;
- Об'єднання рукавів і лючка через імпортні швидкоз'ємні з'єднання;
- Оглядове вікно для візуального контролю;
- Експлуатація в рамках температури від -20 С до +40 С;
Вакуумна система включає:
- 4-х ходовий кран;
- вакуумний насос.
На лінії всмоктування встановлений поплавцевий клапан, який монтується на кришці сигнально запобіжного пристрою і перекриває всмоктувальну лінію при наповненні цистерни, тим самим унеможливлює попадання відходів в насос. Окрім цього на лінії всмоктування встановлений бачок проміжний, який призначений для збору конденсату, що утворюється під час заповнення цистерни відходами у всмоктувальній лінії. У нагнітальній лінії насоса встановлений глушник, для зниження шуму при виході повітря з насоса.
Світлові та звукові сигнали на шасі (задні ліхтарі тощо) Задні ліхтарі 0P2AQ
- Захисний дах для задніх ліхтарів
- Система попередження про рух заднім ходом, акустичний, у разі ввімкнутої задньої передачі
- Тест функції освітлення
- Бокові габаритні ліхтарі, світлодіодні
Двигун, радіатор
Дизельний двигун MAN D0836 LFL89, 184 кВт (250 PS) потужність, 1050 Нм обертовий момент, Euro 5
- Паливний фільтр, з обігрівом, для пального до класу чистоти 21
- Попередній паливний фільтр, з сепаратором для видалення води/оливи з пального, з електричним підігрівом
- Без системи зменшення обертового моменту
- Повітроочищувач двигуна із сухим фільтрувальним елементом, із захисною вставкою
- Випуск повітря, Картер колінчастого валу, закрито
- Шумозахисні фартухи двигуна
- Радіатор двигуна, нормальної довжини
- Захист радіатора, знизу
- Мастиломірний щуп і цифровий індикатор рівня мастила двигуна
- Антифриз, до -32 °C
- Електрофакельний пристрій
- Кришка для охолоджувача наддувного повітря
- Індикатор рівня пального та розрідження впускних пристроїв
Коробка передач, зчеплення
- КПП з ручним перемиканням, MAN 09.13 OD
- КПП для нормальної складової упору під час руху
- Перемикання ручної КПП, простий H-подібний паз, груповий перемикач
- Роздавальна коробка MAN G103, з підвищувальною та знижувальною передачами, нейтральне положення
- Система управління блокуванням роздавальної коробки, електронна (VSM)
- Однодискове зчеплення, 395 мм, сухе
Кабіна та екстер'єр кабіни
- Кабіна CC: Компактна (вузька, коротка, стандартна висота)
- Опорна система кабіни водія, базовий
- Перекидний пристрій кабіни водія, ручний
- Без підйомного люка в крыші/зсувна крыша
- Бампер, сталь, 3 частини
- Передня стремянка, інтегрована, з можливістю триматися за неї
- Лобове скло, ламіноване безпечне скло (VSG), дверей
- Без сонцезахисного козирка, перед лобовим склом
- Омивач стекла для лобового стекла
- Приведення в дію двірників, ручний
- Вхідні двері, хітна 0
- Центральний замок, без дистанційного керування

Денні ходові вогні, світлодіодні
- Система регулювання кута нахилу фар, ручний
- Перемикання світла фар, ручний
- 2 габаритні ліхтарі, Лампа розжарювання. Показники повороту, збоку, світлодіодні
- Ревун, підвійний тон, електричний
- Підготовка для проблискових маячків
- 2 проблискові маячки на крыші кабіни водія, 1 справа та 1 зліва
- Кнопка та електр. інтерфейс на місці від'єднання кабіни для проблискових маячків на задній частині автомобіля
Зеркала та заміна зеркал
- Зовнішнє зеркало заднього виду, з електричним регулюванням, з підігрівом
- Корпус зеркала, нефарбований
- Компоненти автомобіля відповідно до ширини кузова від 2400 мм до 2600 мм
- Зеркало бічного огляду, праворуч, з електричним регулюванням, з підігрівом

Механізми відбору потужності
- Механізм відбору потужності, залежно від КПП, тип NH/1c, без фланця, f=0,97, положення прибл. 3:30 год.
- Механізм відбору потужності, залежно від КПП, тривала експлуатація.
- Механізм відбору потужності, залежно від КПП, з можливістю перемикання.
- Без робочого колеса вентилятора для механізму відбору потужності, залежно від КПП.
- Функціональні параметри для механізму відбору потужності, залежно від КПП, робота під час руху.
- Параметрування за типом експлуатації, загальні характеристики.
|
Найменування показника |
Значення |
Од.вимірю-вання |
|
Модель і найменування шасі |
MAN TGM 18.250 4x4 |
|
|
Тип привода робочих органів (вакуумний насос) |
Механічний |
|
|
Характеристика насоса |
||
|
*Продуктивність вакуумного насоса |
318 |
м³/год |
|
Розрідження, не менше |
0,085 |
МПа |
|
Ємність технологічна, цистерни |
9 |
м³ |
|
Кількість обслуговуючого персоналу |
2 |
чол. |
|
Час наповнення цистерни |
7-10 |
хв. |
|
Швидкість спорожнення цистерни самопливом, не менше |
35 |
м³/год |
|
Максимальна глибина всмоктування |
6.5 |
м |
Технічні характеристики шасі MAN TGM 18.250 4x4 BB CH E-5
|
Тип транспортного засобу |
Вантажний автомобіль |
|
Кабіна |
Кабіна СС: Компактна(вузька,коротка,стандартна висота) |
|
Відстань між головними колесами |
3900 мм. |
|
Звис |
1925 мм |
|
Конструкція рульового керування |
Ліворуч |
|
Загальна вага |
17 500 кг. |
|
Передня вісь |
7 500 кг |
|
Задня вісь |
11 500 кг. |
Шасі
|
Клас шасі |
Легкий/середній |
|
Основна колісна база |
3900 мм |
|
Звис рами ззаду |
1925 мм. |
|
Товщина лонжерона основної рами |
8 мм |
|
Задня частина транспортного засобу |
прямий кінець рами |
Випускна система
|
Глушник звуку вихлопу |
збоку, справа |
|
Випускна труба для вихлопних газів |
відносно середини рами |
|
Повітрозабірник |
за кабіною водія, піднято вгору |
Акумуляторні батареї,генератори
|
2 АКБ, 12 В, 180 А·год, Longlife, (EFB), не потребує технічного обслуговування |
|
Генератор, трифазного струму 28 В, 120 A, 3360 Вт, Longlife Eco |
|
Ящик для АКБ середній, 2 АКБ |
|
Ящик для АКБ, зліва |
|
Головний вимикач АКБ, механічний |
|
Плавкі запобіжники |
|
Тримач запасного колеса, збоку, зліва, перед задньою віссю |
|
Чохол для запасного колеса |
|
Замикаюча поперечна балка, зі схемою розташування отворів 160x100 мм |
|
Протипідкатний захист, ззаду, круглий |
|
Противідкотний упор, з тримачем |
|
Кріпильний кутник платформи |
Пневматичні гальма, гальмівна система
|
Електронна гальмівна система |
EBS |
|
Антиблокувальна система |
(ABS) |
|
Автоматизована система забезп |
повного гальмування |
|
Без підготовки блока керування |
EBS-Full |
|
Моторне гальмо |
випускна заслінка |
|
Барабанні гальма |
на передню вісь |
|
на передню вісь |
на задній осі |
|
Керування стоянковим гальмом |
поруч із сидінням водія, звичайне стоянкове гальмо |
Особливості
Клапан запобіжний КО-503
Клапан запобіжний КО-503 встановлюється в кришку СПУ цистерни і призначений для регулювання надлишкового тиску в цистерні.
Перед початком експлуатації необхідно перевірити працездатність запобіжного клапана на обмеження надлишкового тиску та тиску розрядження у цистерні. Запобіжний клапан, зображений на малюнку 8, на заводі відрегульований на надлишковий тиск 0,03+0,01 МПа (0,3+0,1 кгс/см 2) і розрядження 0,08МПа (0,8 кгс/см2).
Перевірку працездатності запобіжного клапана починайте з регулювання клапана розрядження, для цього:
- встановіть на всмоктувальній трубі вакуум-нагнітальної системи мановакууометр;
- закрийте приймальний лючок;
- послабте контргайку поз. 6 згідно з малюнком 8 на запобіжному клапані;
- виверніть заглушку і зніміть пружину 2;
- запустіть двигун;
- вімкніть вакуумний насос і встановіть частоту обертання насоса 1450 об/хв;
- встановіть важіль 4-х ходового крана в положення «всмоктування»;
- гайками поз. 8 відрегулюйте пружину поз. 3 за показанням мановакууометра на розрядження 0,08 МПа (0,8 кгс/см2);
У міру зношування внутрішньої поверхні цистерни через 4 роки експлуатації машини знижуйте налаштування клапана на 0,01 МПа (0,1 кгс/см2) після кожного року експлуатації, щоб уникнути деформації цистерни.
Для перевірки клапана тиску необхідно:
- встановити пружину 2;
- встановити заглушку 1;
- наповнити цистерну водою до автоматичної зупинки двигуна або звукового сигналу сигнально-запобіжного пристрою;
- закрити лючок;
- вимкнути сигнально-запобіжний пристрій та вакуумний насос;
- встановити важіль 4-х ходового крана в положення «нагнітання»;
- запустити двигун;
- включити вакуумний насос і встановити частоту обертання валу насоса 1450 об /хв, при цьому надлишковий тиск у цистерні за показанням манометра має бути 0,03-0,04 МПа (0,3-0,4 кгс/см2). У разі перевищення тиску слід відрегулювати запобіжний клапан пружиною 2 Рис. 8. Для цього, повертаючи заглушку 1, встановити необхідний тиск.

1-заглушка, 2,3-пружини, 4-корпус, 5-шайба, 6-контргайка,
7 корпус корпусу, 8 гайка.
Особливості насосу Jurop

Вакуумні насоси з повітряним охолодженням.
- Модель PNR поступається моделі PNE у зв'язку з охолодженням за допомогою повітряної ежекції, замість атмосферного повітря. Регульована ежекція повітря забезпечує ефективне охолодження, навіть під час використання насоса у важких умовах експлуатації (запатентована технологія).
- Модель 142 відсутня у версії PNE.
- Прямий привід із циліндричним валом діаметра або Ø1" 3/8.
- З редуктором при 540-1000 об/хв.
- Обертанням проти годинникової стрілки.
- П'ять лопатей з термостійкого параамідного синтетичного волокна; тангенціальне розташування знижує знос, пов'язаний з тертям, і забезпечує збільшення терміну служби насоса.
- Автоматичний безповоротний клапан на лінії всмоктування.
- Автоматичне змащування за допомогою об'ємного дозувального насоса. Задній бак (PNR/E 73-124). Бічний резервуар (PNR142). Мідні труби та фітинги.
Обертання за годинниковою стрілкою.
- Алюмінієві орієнтовані патрубки, на різні діаметри.
- З гідравлічним двигуном.
- Керування за допомогою двигуна внутрішнього згоряння, гідромотора або механічного приводу from a Power Take Off.
- Шків приводного ременя.
- Пневмопривід або гідропідсилювач на клапані, що перемикається, для тиску і розрідження.
- Система попередження про перегрів насоса.
Експлуатаційні хараткеристики насосу Jurop та схема Вакуумної системи.

Креслення вакуумного насосу Jurop в двох варіантах
№1 PNR/PNE Пряма передача

№2 NR/PNE Модифікація HDR / Привід із редуктором

Шумова потужність тільки насоса (без приводної трансмісії, блоку всмоктування, глушників)
RPM |
Вакуум-надлишковий тиск |
PNE 73-83 |
PNR 73-83 |
PNE 104-124 |
PNR 104-124 |
PNR 142 |
|
Номінальна швидкість |
вакуум 80% |
90 |
92 |
90 |
93 |
94 |
|
Δ press 600 миллібар |
103 |
103 |
104 |
104 |
105 |
Діаметр патрубків
|
Ø |
Регульованого патрубка |
Фіксованого патрубка |
|||||
|
PNR/E |
Ø76 |
Ø80 |
Ø100 |
Ø60 |
Ø76 |
Ø80 |
Ø100 |
|
73 |
• |
|
|
• |
• |
• |
|
|
83 |
• |
|
|
• |
• |
• |
|
|
104 |
• |
• |
• |
|
• |
• |
• |
|
124 |
• |
• |
• |
|
• |
• |
• |
|
142 |
|
• |
• |
|
|
• |
• |