Вакуумна машина KST-13 на шасі IVECO об'ємом 13 м3, що виготовлена з високоякісної конструкційної сталі 09Г2С, на шасі IVECO з колісною формулою 6х6 призначена для вакуумного очищення вигрібних ям глибиною від 4,5 до 6.5 м і транспортування фекальних рідин до місця утилізації. Заповнення цистерни (з товщиною стінки від 4 до 8 мм) здійснюється під дією вакууму 0,085 МПа, звільнення цистерни відбувається самопливно або під тиском повітря від вакуумного насоса Jurop PN 45 потужністю 318 м³/год протягом 7 хвилин.
Креслення





Опис
Вакуумна машина KST-13 IVECO (6Х6) призначена для вакуумного очищення вигрібних ям і транспортування фекальних рідин до місця утилізації.. Заповнення цистерни здійснюється під дією вакууму, звільнення цистерни самопливно або тиском повітря від вакуумного насоса.
Альтернативи шасі для встановлення надбудови

До складу спецобладнання входить:
- цистерна;
- вакуумний насос з приводом;
- сигнально-запобіжний пристрій;
- трубопроводи вакуум-нагнітальної системи з краном;
- приймальний люк зі всмоктувальним шлангом;
- майданчики для обслуговування;
- електрообладнання.
Вакуумна система призначена для створення розрідження в цистерні при наповненні її відходами і тиску при їх зливі. Особливості конструкції цистерни:
- Цистерна з сталевого листа товщиною 4 мм, посилена ребрами жорсткості;
- Укладання рукавів пенали;
- Два рукави загальною довжиною від 6 до 50 м з внутрішнім діаметром 100мм;
- Об'єднання рукавів і лючка через імпортні швидкоз'ємні з'єднання;
- Оглядове вікно для візуального контролю;
- Експлуатація в рамках температури від -20 С до +40 С;
Вакуумна система включає:
- 4-х ходовий кран;
- вакуумний насос;
- систему трубопроводів.
На лінії всмоктування встановлений поплавцевий клапан, який монтується на кришці сигнально запобіжного пристрою і перекриває всмоктувальну лінію при наповненні цистерни, тим самим унеможливлює попадання відходів в насос. Окрім цього на лінії всмоктування встановлений бачок проміжний, який призначений для збору конденсату, що утворюється під час заповнення цистерни відходами у всмоктувальній лінії. У нагнітальній лінії насоса встановлений глушник, для зниження шуму при виході повітря з насоса.
|
Торгова марка |
JUROP |
|
Габаритні розміри |
715х380х534 мм. |
|
Вага |
190 кг. |
|
Тиск |
1.5 (2,5) бар. |
|
Продуктивність (повітряний потік за атм.тиску) |
12400 л/хв. |
|
Потужність |
11 кВт. |
|
Оберти двигуна |
540-1000 об./хв. |
|
Витрата повітря |
318 м3 |
|
Тип валу |
шліцевий |
Технічні характеристики шасі IVECO AT380T48W H
|
МОДЕЛЬ |
IVECO AT380T48W H |
|
ТИП |
Шасі з кабіною |
|
КОЛІСНА ФОРМУЛА |
6х6 |
|
КАБІНА |
T-WAY / Active Time / Спальна |
|
ДВИГУН |
CURSOR 13 / 480 к.с. / 2 200 Нм / Євро 5 |
|
КПП |
Механічна / 16 ступенева / ZF |
|
ПОВНА МАСА |
26 500 кг / 60 000 кг |
|
ТИП ЗАДНЬОЇ ВІСІ |
Бортові редуктори (Hub Reduction) |
|
ПІДВІСКА |
Передня механічна / Задня механічна |
|
ГАЛЬМА |
Передні барабанні / Задні барабанні |
|
КОЛІСНА БАЗА |
4 500 мм |
|
КОЛІР КАБІНИ |
Основний колір кабіни – Білий (50105) |
|
ПРИЗНАЧЕННЯ |
Складні умови та бездоріжжя (OFF ROAD) |
Габаритні розміри
|
КОЛІСНА БАЗА |
4 500 |
|
Колісна база, мм |
4 474 |
|
Міжосьова відстань задніх осей |
1 390 |
|
Габаритна довжина (L1) |
9 379 |
|
Передній звис |
1 440 |
|
Задній звис (L5) |
2 075 |
|
Ширина кабіни |
2 550 |
|
Відстань від 1-ї вісі до задньої стінки кабіни |
900 |
|
Довжина рами позаду кабіни |
7 039 |
|
Висота кабіни AD (H) |
3 280 |
|
Висота рами, поруч передньої вісі (С+cv) |
1 212 |
|
Висота рами, поруч задньої вісі (D+dv) |
1 228 |
|
Висота рами, позаду шасі, порожній стан (T) |
1 237 |
|
Кліренс поруч переднього бампера (P1) |
650 |
|
Кліренс поруч передньої вісі (P) |
450 |
|
Кліренс поруч задньої вісі (Q) |
410 |
|
Діаметр розвороту, по шинам (ØW) |
22 300 |
|
Діаметр розвороту, по габаритам (ØR) |
23 900 |
|
Колія передня (С1) |
1 981 |
|
Колія задня (С2) |
1 981 |
|
Кут переднього звису |
34° |
|
Кут рампи (переїзду) |
21° |
|
Кут заднього звису |
9° |
|
РАМА |
|
|
Висота лонжеронів, мм |
309 |
|
Ширина лонжеронів, мм |
80 |
|
Товщина лонжеронів, мм |
10 |
|
Ширина рами позаду, мм |
776 |
|
МАСА НЕТТО |
|
|
Споряджене шасі, кг |
10 650 |
|
Передня вісь (1), кг |
5 840 |
|
Задні осі (2+3), кг |
4 784 |
|
ПАСПОРТНІ НАВАНТАЖЕННЯ |
|
|
Передня вісь (1), кг |
9 000 |
|
Задня вісь (2), кг |
9 000 |
|
Задня вісь (3), кг |
9 000 |
|
Корисна вантажність шасі, кг |
15 850 |
|
Повна маса шасі, кг |
26 500 |
|
Повна маса автопоїзду, кг |
60 000 |
|
ДВИГУН |
CURSOR 13 (F3HGE611X) |
|
Тип |
дизельний, рядний, 6 циліндрів |
|
Система охолодження |
рідинного типу, електронне керування |
|
Тип турбіни |
із перепускним клапаном + інтеркулер |
|
Максимальна потужність |
353 кВт (480 к.с.) при 1500 - 1900 об/хв |
|
Максимальний обертовий момент |
2 200 Нм при 1000 - 1500 об/хв |
|
Робочий об’єм |
12 882 см3 |
|
Маса двигуна |
1 230 кг |
|
Керування двигуном |
EDC |
|
Система очищення вихлопних газів |
SCR |
|
Стандарт екологічності |
Євро 5 |
|
Система впорскування |
Common Rail |
|
Моторне гальмо IVECO Turbo Brake |
306 кВт |
|
Відповідність рівню екологічності Euro 5 |
|
|
Підготовка для помірних кліматичних умов |
|
|
Оберти двигуна 1900 RPM |
|
|
Табличка на двигуні |
|
|
Глушник бокового типу, занижена вихлопна труба |
|
|
Фільтр попереднього очищення палива з обігрівом |
|
|
Повітряний фільтр Heavy Duty для важких умов роботи |
|
|
Додатковий картридж у горизонтальний HD повітряний фільтр |
|
|
Система холодного запуску двигуна (підігрів впускного повітря) |
|
|
Металевий захист радіатору та піддону двигуна |
|
|
КПП |
|
ZF 16S 2520 TO - Механічна КПП, синхронізована, із сервоприводом. Передач вперед 16 та 2 назад (13.8 - 0.84) Зчеплення сухе однодискове, сервопривід, автоматичне регулювання, зовнішній діаметр 17” (432 мм) |
|
Стандартні 2 передачі заднього ходу |
|
Стандартний режим роботи КПП |
|
РОЗДАТОЧНА КОРОБКА |
|
Роздавальна коробка, модель TC 2200 для двигуна Cursor 13 / Передаточне число 1.6 – 1.0 |
|
МЕХАНІЗМИ ВІДБОРУ ПОТУЖНОСТІ |
|
Коробка відбору потужності (PTO) на КПП - ZF NH/4C (вихід під насосу) |
|
CAN Інтерфейс (Шина для поглибленої взаємодії шасі із надбудовою або навісним обладнанням) |
|
Підготовка в кабіні (кнопка) для увімкнення ВВП (PTO) |
|
ПЕРЕДНЯ ПІДВІСКА ТА ВІСЬ |
|
Вісь передня (01), керована, привідна, IVECO 5985/2D (Бортові редуктори) |
|
Посилена передня підвіска механічного типу, 3-листові параболічні ресори, 9 т |
|
Передній стабілізатор поперечної стійкості |
|
Блокування переднього диференціалу |
|
ЗАДНЯ ПІДВІСКА ТА ВІСЬ |
|
Вісь задня (02), привідна, не керована, IVECO 453291/2D (Бортові редуктори) |
|
Вісь задня (03), привідна, не керована, IVECO 453291/2D (Бортові редуктори) |
|
Міжосьове та міжколісне блокування диференціалів, керування з кабіни водія |
|
Передаточне число головної пари 4.67 |
|
Розмір шин привідної вісі 14.00R20 |
|
Посилена задня підвіска механічного типу, 4-листові параболічні ресори, 32 т |
|
Задній стабілізатор поперечної стійкості |
|
Односкатні колеса на задніх осях |
|
ШИНИ ТА ДИСКИ |
|
Шини передні та задні односкатні 14.00R20. Протектор для бездоріжжя, безкамерні Індекс навантаження 164 (5 000 кг). Індекс швидкості G (90 км/год). Статичний радіус 564 мм |
|
Запасне колесо, без кронштейну кріплення його до шасі |
|
Колісні диски сталеві |
|
РОБОЧІ ЄМНОСТІ |
|
Паливний бак, ємністю 390 л, розміщений з правої сторони |
|
Підігрів паливного баку |
|
Бак AdBlue пластиковий, 60 л |
|
РУЛЬОВЕ КЕРУВАННЯ |
|
Гідравлічний підсилювач ZF 8098, діаметр керма 470 мм |
|
Рульова колонка для правостороннього руху, з пневматичним регулюванням по нахилу та вильоту |
|
Аварійний контур рульового керування |
|
ШАСІ |
|
Паспортні навантаження на осі 9000-9000-9000 кг (Модифікація для повної односкатної ошиновки) |
|
Налаштування для обладнання стандартного типу |
|
Колір рами темно-сірий IC444/ RAL 7021 |
|
Стандартний обробіток шасі (без використання продуктів TECTIL) |
|
Інформаційні таблички згідно вимог ECC |
|
Контрольна цифра в VIN коді шасі |
|
VIN номер містить корінь WJM |
|
Задній протипідкатний пристрій, згідно вимог R58.03 |
|
Посилена задня поперечина рами D=20 (для буксирувального пристрою) |
|
Захист заднього звису |
|
Задній звис 2073 мм |
|
ЕЛЕКТРИЧНЕ ОБЛАДНАННЯ |
|
АКБ 2x 225 Аг / Стартер 5.5 кВт / Напруга 24В |
|
Розміщення відсіку АКБ горизонтальне, бокове |
|
Генератор 90A (24V) |
|
Вимикач електричної маси згідно ADR, розміщений в кабіні водія та на шасі |
|
15-контактний електричний роз’єм для причіпного обладнання (1x15pin) |
|
Електричний роз’єм для підключення надбудови до електроживлення |
|
ГАЛЬМІВНА СИСТЕМА |
|
Пневматичного типу |
|
Передні гальма барабанні, типу «DuoDuplex» |
|
Задні гальма барабанні, типу «DuoDuplex» |
|
Осушувач повітря пневмосистеми з підігрівом |
|
Декомпресійне моторне гальмо IVECO Turbo Brake |
|
EBS Off-road Mode (Електронна гальмівна система із алгоритмом роботи на бездоріжжі, включно із ABS та EBL) BAS (Система допомоги при гальмуванні/Гальмівний асистент - Brake Assist System) |
|
Блок підготовки повітря стандартного типу |
|
Повітряний компресор двокамерний | 630 см3 |
|
Сталеві повітряні ресивери |
|
Заводське маркування на повітряних ресиверах |
|
Підготовка пневматична для причіпного обладнання |
|
БЕЗПЕКА ТА ЕЛЕКТРОННІ АСИСТЕНТИ |
|
Пневматичний та електричний звукові сигнали (клаксони) |
|
Звуковий сигнал попередження про рух заднім ходом |
|
Електронний обмежувач швидкості 90 км/год |
|
Обмеження максимальної швидкості встановлюється на круїз-контролі |
|
Круїз контроль (Темпомат) |
|
2 ключа із іммобілайзером |
|
Електричний роз’єм FMS (Fleet Management System - Система керуванням автопарком) |
|
Підготовка ADR (Підготовка шасі для перевезення небезпечних вантажів типів AT, FL, EX/II, EX/III) |
|
Стандартний пакет технічних рішень та технологій економії пального |
Особливості
Клапан запобіжний КО-503
Клапан запобіжний КО-503 встановлюється в кришку СПУ цистерни і призначений для регулювання надлишкового тиску в цистерні.
Перед початком експлуатації необхідно перевірити працездатність запобіжного клапана на обмеження надлишкового тиску та тиску розрядження у цистерні. Запобіжний клапан, зображений на малюнку 8, на заводі відрегульований на надлишковий тиск 0,03+0,01 МПа (0,3+0,1 кгс/см 2) і розрядження 0,08МПа (0,8 кгс/см2).
Перевірку працездатності запобіжного клапана починайте з регулювання клапана розрядження, для цього:
- встановіть на всмоктувальній трубі вакуум-нагнітальної системи мановакууометр;
- закрийте приймальний лючок;
- послабте контргайку поз. 6 згідно з малюнком 8 на запобіжному клапані;
- виверніть заглушку і зніміть пружину 2;
- запустіть двигун;
- вімкніть вакуумний насос і встановіть частоту обертання насоса 1450 об/хв;
- встановіть важіль 4-х ходового крана в положення «всмоктування»;
- гайками поз. 8 відрегулюйте пружину поз. 3 за показанням мановакууометра на розрядження 0,08 МПа (0,8 кгс/см2);
У міру зношування внутрішньої поверхні цистерни через 4 роки експлуатації машини знижуйте налаштування клапана на 0,01 МПа (0,1 кгс/см2) після кожного року експлуатації, щоб уникнути деформації цистерни.
Для перевірки клапана тиску необхідно:
- встановити пружину 2;
- встановити заглушку 1;
- наповнити цистерну водою до автоматичної зупинки двигуна або звукового сигналу сигнально-запобіжного пристрою;
- закрити лючок;
- вимкнути сигнально-запобіжний пристрій та вакуумний насос;
- встановити важіль 4-х ходового крана в положення «нагнітання»;
- запустити двигун;
- включити вакуумний насос і встановити частоту обертання валу насоса 1450 об /хв, при цьому надлишковий тиск у цистерні за показанням манометра має бути 0,03-0,04 МПа (0,3-0,4 кгс/см2). У разі перевищення тиску слід відрегулювати запобіжний клапан пружиною 2 Рис. 8. Для цього, повертаючи заглушку 1, встановити необхідний тиск.

1-заглушка, 2,3-пружини, 4-корпус, 5-шайба, 6-контргайка,
7 корпус корпусу, 8 гайка.
Особливості насосу Jurop

Вакуумні насоси з повітряним охолодженням.
- Модель PNR поступається моделі PNE у зв'язку з охолодженням за допомогою повітряної ежекції, замість атмосферного повітря. Регульована ежекція повітря забезпечує ефективне охолодження, навіть під час використання насоса у важких умовах експлуатації (запатентована технологія).
- Модель 142 відсутня у версії PNE.
- Прямий привід із циліндричним валом діаметра або Ø1" 3/8.
- З редуктором при 540-1000 об/хв.
- Обертанням проти годинникової стрілки.
- П'ять лопатей з термостійкого параамідного синтетичного волокна; тангенціальне розташування знижує знос, пов'язаний з тертям, і забезпечує збільшення терміну служби насоса.
- Автоматичний безповоротний клапан на лінії всмоктування.
- Автоматичне змащування за допомогою об'ємного дозувального насоса. Задній бак (PNR/E 73-124). Бічний резервуар (PNR142). Мідні труби та фітинги.
Обертання за годинниковою стрілкою.
- Алюмінієві орієнтовані патрубки, на різні діаметри.
- З гідравлічним двигуном.
- Керування за допомогою двигуна внутрішнього згоряння, гідромотора або механічного приводу from a Power Take Off.
- Шків приводного ременя.
- Пневмопривід або гідропідсилювач на клапані, що перемикається, для тиску і розрідження.
- Система попередження про перегрів насоса.
Експлуатаційні характеристики насосу Jurop та схема Вакуумної системи.

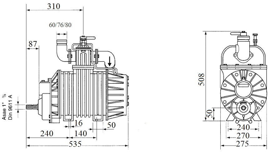
Креслення вакуумного насосу Jurop в двох варіантах
№1 PNR/PNE Пряма передача

№2 NR/PNE Модифікація HDR / Привід із редуктором

Шумова потужність тільки насоса (без приводної трансмісії, блоку всмоктування, глушників)
RPM |
Вакуум-надлишковий тиск |
PNE 73-83 |
PNR 73-83 |
PNE 104-124 |
PNR 104-124 |
PNR 142 |
|
Номінальна швидкість |
вакуум 80% |
90 |
92 |
90 |
93 |
94 |
|
Δ press 600 миллібар |
103 |
103 |
104 |
104 |
105 |
Діаметр патрубків
|
Ø |
Регульованого патрубка |
Фіксованого патрубка |
|||||
|
PNR/E |
Ø76 |
Ø80 |
Ø100 |
Ø60 |
Ø76 |
Ø80 |
Ø100 |
|
73 |
• |
|
|
• |
• |
• |
|
|
83 |
• |
|
|
• |
• |
• |
|
|
104 |
• |
• |
• |
|
• |
• |
• |
|
124 |
• |
• |
• |
|
• |
• |
• |
|
142 |
|
• |
• |
|
|
• |
• |