Вакуумна машина KST-12 на шасі IVECO об'ємом 12 м3, що виготовлена з високоякісної конструкційної сталі 09Г2С, на шасі IVECO з колісною формулою 6х6 призначена для вакуумного очищення вигрібних ям глибиною від 4,5 до 6.5 м і транспортування фекальних рідин до місця утилізації. Заповнення цистерни (з товщиною стінки від 4 до 8 мм) здійснюється під дією вакууму 0,085 МПа, звільнення цистерни відбувається самопливно або під тиском повітря від вакуумного насоса Jurop PN 45 потужністю 318 м³/год протягом 7 хвилин.
Креслення



Опис
Вакуумна машина KST-12 IVECO (6Х6) призначена для вакуумного очищення вигрібних ям і транспортування фекальних рідин до місця утилізації.. Заповнення цистерни здійснюється під дією вакууму, звільнення цистерни самопливно або тиском повітря від вакуумного насоса.
Альтернативи шасі для встановлення надбудови

До складу спецобладнання входить:
- цистерна;
- вакуумний насос з приводом;
- сигнально-запобіжний пристрій;
- трубопроводи вакуум-нагнітальної системи з краном;
- приймальний люк зі всмоктувальним шлангом;
- майданчики для обслуговування;
- електрообладнання.
Вакуумна система призначена для створення розрідження в цистерні при наповненні її відходами і тиску при їх зливі. Особливості конструкції цистерни:
- Цистерна з сталевого листа товщиною 4 мм, посилена ребрами жорсткості;
- Укладання рукавів пенали;
- Два рукави загальною довжиною від 6 до 50 м з внутрішнім діаметром 100мм;
- Об'єднання рукавів і лючка через імпортні швидкоз'ємні з'єднання;
- Оглядове вікно для візуального контролю;
- Експлуатація в рамках температури від -20 С до +40 С;
Вакуумна система включає:
- 4-х ходовий кран;
- вакуумний насос;
- систему трубопроводів.
На лінії всмоктування встановлений поплавцевий клапан, який монтується на кришці сигнально запобіжного пристрою і перекриває всмоктувальну лінію при наповненні цистерни, тим самим унеможливлює попадання відходів в насос. Окрім цього на лінії всмоктування встановлений бачок проміжний, який призначений для збору конденсату, що утворюється під час заповнення цистерни відходами у всмоктувальній лінії. У нагнітальній лінії насоса встановлений глушник, для зниження шуму при виході повітря з насоса
Зручне керування
Для водія в кабіні створено унікальне робоче середовище. Проєктувальники підходили з позиції ергономічності, тож керувати вантажівкою легко та зручно. Основні регулятори функціями автомобіля винесено на кермо.
Функція Eco-Mode дає змогу встановити потрібний режим кондиціювання повітря, опалення та вентиляції відповідно до умов роботи та температури оточуючого середовища.
Зручна кнопка, яка розташована безпосередньо на кермі, дає змогу швидко увімкнути або вимкнути двигун.
Датчики світла та дощу вмикаються автоматично й регулюють работу фар та очищувачів скла. Потужні світлодіодні LED-фари забезпечують якісну видимість дорожнього покриття, тож побачити перешкоду можна здалеку.
Міцна решітка радіатора надійно захищає двигун від ушкоджень та забезпечує якісний теплообмін.
Встановлена мультимедійна система з великим дисплеєм дає змогу підтримувати зв’язок із близькими, переглядати та слухати улюблені програми під час поїздки, не відволікаючись від дороги. Ви легко зможете налаштувати власні гаджети завдяки підтриманню всіх операційних систем. Є доступ до Apple CarPlay та Android Auto.
Усі компоненти зручно розташовані на відстані витягнутої руки.
Усе продумано до найменшої деталі, що дало змогу розширити простір внутрі кабіни. Водій має змогу виходити з будь-якого боку.
|
Найменування показника |
Значення |
Од.вимірю-вання |
|
Модель і найменування шасі |
IVECO T-WAY AT380T43W H 6х6 |
|
|
Тип привода робочих органів (вакуумний насос) |
Механічний |
|
|
Характеристика насоса: |
|
|
|
*Продуктивність вакуумного насоса |
318 |
м³/год |
|
Розрідження, не менше |
0,085 |
МПа |
|
Ємність технологічна, цистерни |
12 |
м³ |
|
Кількість обслуговуючого персоналу |
2 |
чол. |
|
Час наповнення цистерни |
5-7 |
хв. |
|
Швидкість спорожнення цистерни самопливом, не менше |
35 |
м³/год |
|
Максимальна глибина всмоктування |
від 4,5 до 6.5 |
м |
Технічні характеристики шасі IVECO T-WAY AT380T43W H
|
Колісна формула |
6х6 |
|
Повна маса |
33 500 кг |
|
Вантажність шасі |
22 925 кг |
|
Колісна база |
4200 мм |
|
Монтажна довжина рами |
6 769 мм |
|
Двигун |
Cursor 13, потужність 430 к.с |
|
Крутний момент |
2100 Нм |
|
Автоматизована КПП |
16-ступенева |
|
Шини передні |
односкатні 395/85R20 |
|
Шини задні |
односкатні 525/65R20 |
|
Підтримка перевезення небезпечних вантажів ADR |
+ |
|
Кабіна |
спальна AT (регіональна, низький дах, внутрішня висота 1.25 м), |
|
кондиціонер, аудіо, центр. замок, холодильник 24 л. |
|
Особливості
Клапан запобіжний КО-503
Клапан запобіжний КО-503 встановлюється в кришку СПУ цистерни і призначений для регулювання надлишкового тиску в цистерні.
Перед початком експлуатації необхідно перевірити працездатність запобіжного клапана на обмеження надлишкового тиску та тиску розрядження у цистерні. Запобіжний клапан, зображений на малюнку 8, на заводі відрегульований на надлишковий тиск 0,03+0,01 МПа (0,3+0,1 кгс/см 2) і розрядження 0,08МПа (0,8 кгс/см2).
Перевірку працездатності запобіжного клапана починайте з регулювання клапана розрядження, для цього:
- встановіть на всмоктувальній трубі вакуум-нагнітальної системи мановакууометр;
- закрийте приймальний лючок;
- послабте контргайку поз. 6 згідно з малюнком 8 на запобіжному клапані;
- виверніть заглушку і зніміть пружину 2;
- запустіть двигун;
- вімкніть вакуумний насос і встановіть частоту обертання насоса 1450 об/хв;
- встановіть важіль 4-х ходового крана в положення «всмоктування»;
- гайками поз. 8 відрегулюйте пружину поз. 3 за показанням мановакууометра на розрядження 0,08 МПа (0,8 кгс/см2);
У міру зношування внутрішньої поверхні цистерни через 4 роки експлуатації машини знижуйте налаштування клапана на 0,01 МПа (0,1 кгс/см2) після кожного року експлуатації, щоб уникнути деформації цистерни.
Для перевірки клапана тиску необхідно:
- встановити пружину 2;
- встановити заглушку 1;
- наповнити цистерну водою до автоматичної зупинки двигуна або звукового сигналу сигнально-запобіжного пристрою;
- закрити лючок;
- вимкнути сигнально-запобіжний пристрій та вакуумний насос;
- встановити важіль 4-х ходового крана в положення «нагнітання»;
- запустити двигун;
- включити вакуумний насос і встановити частоту обертання валу насоса 1450 об /хв, при цьому надлишковий тиск у цистерні за показанням манометра має бути 0,03-0,04 МПа (0,3-0,4 кгс/см2). У разі перевищення тиску слід відрегулювати запобіжний клапан пружиною 2 Рис. 8. Для цього, повертаючи заглушку 1, встановити необхідний тиск.

1-заглушка, 2,3-пружини, 4-корпус, 5-шайба, 6-контргайка,
7 корпус корпусу, 8 гайка.
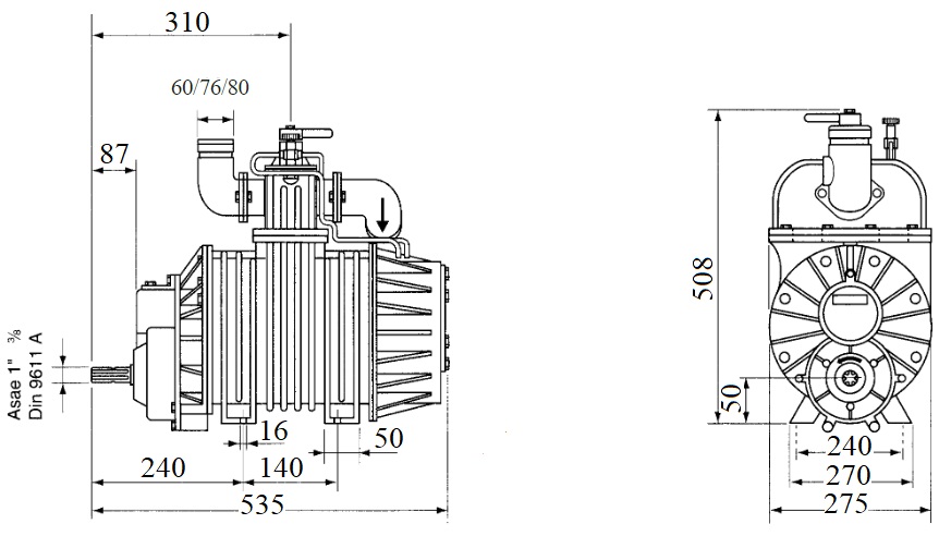
Особливості насосу Jurop

Вакуумні насоси з повітряним охолодженням.
- Модель PNR поступається моделі PNE у зв'язку з охолодженням за допомогою повітряної ежекції, замість атмосферного повітря. Регульована ежекція повітря забезпечує ефективне охолодження, навіть під час використання насоса у важких умовах експлуатації (запатентована технологія).
- Модель 142 відсутня у версії PNE.
- Прямий привід із циліндричним валом діаметра або Ø1" 3/8.
- З редуктором при 540-1000 об/хв.
- Обертанням проти годинникової стрілки.
- П'ять лопатей з термостійкого параамідного синтетичного волокна; тангенціальне розташування знижує знос, пов'язаний з тертям, і забезпечує збільшення терміну служби насоса.
- Автоматичний безповоротний клапан на лінії всмоктування.
- Автоматичне змащування за допомогою об'ємного дозувального насоса. Задній бак (PNR/E 73-124). Бічний резервуар (PNR142). Мідні труби та фітинги.
Обертання за годинниковою стрілкою.
- Алюмінієві орієнтовані патрубки, на різні діаметри.
- З гідравлічним двигуном.
- Керування за допомогою двигуна внутрішнього згоряння, гідромотора або механічного приводу from a Power Take Off.
- Шків приводного ременя.
- Пневмопривід або гідропідсилювач на клапані, що перемикається, для тиску і розрідження.
- Система попередження про перегрів насоса.
Експлуатаційні хараткеристики насосу Jurop та схема Вакуумної системи.

Креслення вакуумного насосу Jurop в двох варіантах
№1 PNR/PNE Пряма передача

№2 NR/PNE Модифікація HDR / Привід із редуктором

Шумова потужність тільки насоса (без приводної трансмісії, блоку всмоктування, глушників)
RPM |
Вакуум-надлишковий тиск |
PNE 73-83 |
PNR 73-83 |
PNE 104-124 |
PNR 104-124 |
PNR 142 |
|
Номінальна швидкість |
вакуум 80% |
90 |
92 |
90 |
93 |
94 |
|
Δ press 600 миллібар |
103 |
103 |
104 |
104 |
105 |
Діаметр патрубків
|
Ø |
Регульованого патрубка |
Фіксованого патрубка |
|||||
|
PNR/E |
Ø76 |
Ø80 |
Ø100 |
Ø60 |
Ø76 |
Ø80 |
Ø100 |
|
73 |
• |
|
|
• |
• |
• |
|
|
83 |
• |
|
|
• |
• |
• |
|
|
104 |
• |
• |
• |
|
• |
• |
• |
|
124 |
• |
• |
• |
|
• |
• |
• |
|
142 |
|
• |
• |
|
|
• |
• |